E
EPC Data

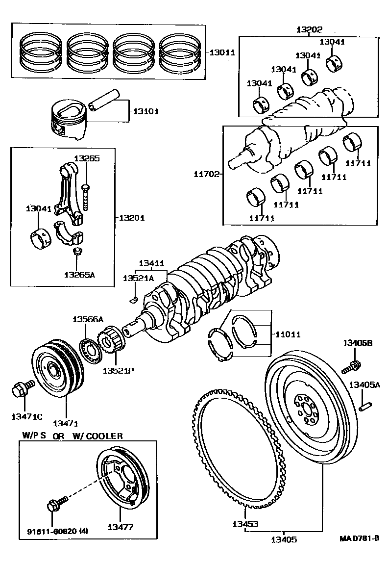
CRANKSHAFT & PISTON

Parts diagram
11011WASHER SET, CRANKSHAFT THRUST
main11011-11010i199409
STD
main11012-11010i199409
O/S 0.125
11702BEARING SET, CRANKSHAFT
main11704-11012i199409-199907
U/S 0.25
11711BEARING, CRANKSHAFT
main11701-11012-01×5i199409
MARK 1
main11701-11012-02×5i199409
MARK 2
main11701-11012-03×5i199409
MARK 3
main11701-11012-04×5i199409
MARK 4
main11701-11012-05×5i199409
MARK 5
13011RING SET, PISTON
main13011-11160i199409
STD
13041BEARING, CONNECTING ROD
main13041-11010-01×4i199409
MARK 1
main13041-11010-02×4i199409
MARK 2
main13041-11010-03×4i199409
MARK 3
13101PISTON SUB-ASSY, W/PIN
main13101-11160-01×4i199409-199601
STD,MARK 1
main13101-11160-02×4i199409-199601
STD,MARK 2
main13101-11160-03×4i199409-199601
STD,MARK 3
main13101-11161-01×4i199601
STD,MARK 1
main13101-11161-02×4i199601
STD,MARK 2
main13101-11161-03×4i199601
STD,MARK 3
13201ROD SUB-ASSY, CONNECTING
main13201-19087×4i199409-199608
main13201-19117×4i199608
13202BEARING SET, CONNECTING ROD
main13204-11010i199409
U/S 0.25
13265BOLT, CONNECTING ROD
main13265-10022×8i199409
13265ANUT, HEXAGON(FOR CONNECTING ROD BOLT)
main90179-08014×8i199409
13405FLYWHEEL SUB-ASSY
main13405-11041i199409
13405APIN, STRAIGHT(FOR FLYWHEEL)
main90250-08120×3i199409
L=18,OD=8
13405BBOLT, FLYWHEEL SETTING
main90105-10138×6i199409
13411CRANKSHAFT
main13401-11040i199409
13453GEAR, FLYWHEEL RING
main13453-10030i199409
13471PULLEY, CRANKSHAFT
main13408-11012i199409-199712
main13470-11030i199712
13471CBOLT(FOR CRANKSHAFT PULLEY SET)
main90105-12051i199409
13477PULLEY, CRANKSHAFT, NO.2
main44319-10011i199409
13521AKEY(FOR CRANKSHAFT TIMING GEAR)
main90280-05005i199409
13521PPULLEY, CRANKSHAFT TIMING
main13521-11030i199409
13566AGUIDE, TIMING BELT
main13566-11020i199409
9161160820

22 parts on this diagram · 1 diagram in section

CRANKSHAFT & PISTON — Toyota Parts Diagram with OEM Numbers & Prices | EPC Data