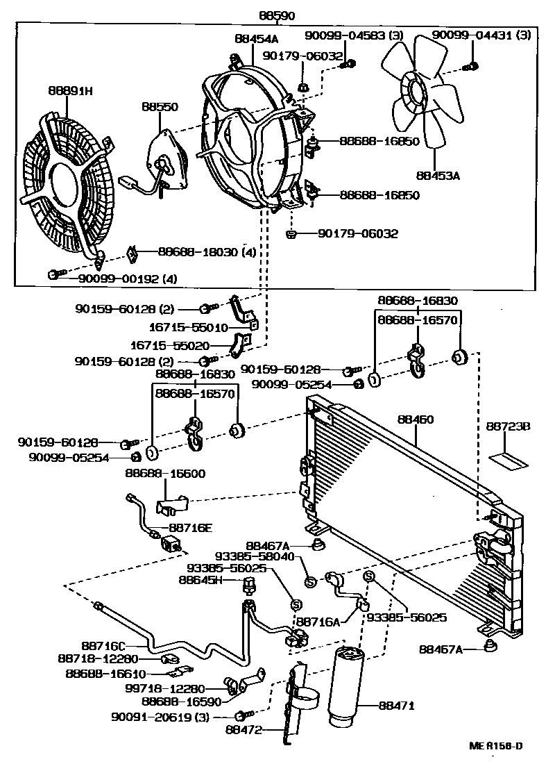
HEATING & AIR CONDITIONING - COOLER PIPING

88453AFAN, COOLING
COLD SPEC,MAKER OPTION
88454ASHROUD, FAN
COLD SPEC
88460CONDENSER ASSY, COOLER
88467ACUSHION, COOLER CONDENSER, NO.2
88471TANK, RECEIVER AIR CONDITIONER
88472BRACKET, RECEIVER TANK, NO.1
88550MOTOR ASSY, BLOWER (FOR CONDENSER)
COLD SPEC
88590BLOWER ASSY, W/SHROUD
COLD SPEC,DEALER OPTION
COLD SPEC
COLD SPEC,MAKER OPTION
88645HSWITCH, PRESSURE NO.1
88716APIPE, COOLER REFRIGERANT LIQUID, A
88716CPIPE, COOLER REFRIGERANT LIQUID, C
W(ABS); W(ABS) OR W(ABS & POWER STEERING)
W(ABS); W(ABS) OR W(ABS & POWER STEERING)
88716EPIPE, COOLER REFRIGERANT LIQUID, E
88723BLABEL, COOLER SERVICE CAUTION
CHILE SPEC; ENGLISH
FRENCH
88891HCOVER, COOLER, NO.1
1671555010BRACKET, FAN SHROUD
main16715-55010
1671555020BRACKET, FAN SHROUD
main16715-55020
8868816570BRACKET, COOLER DIAPHRAGM
main88688-16570
8868816590BRACKET, COOLER DIAPHRAGM
main88688-16590
8868816600BRACKET, COOLER DIAPHRAGM
main88688-16600
8868816610BRACKET, COOLER DIAPHRAGM
main88688-16610
8868816830BRACKET, COOLER DIAPHRAGM
main88688-16830
8868816850BRACKET, COOLER DIAPHRAGM
main88688-16850
8868818030BRACKET, COOLER DIAPHRAGM
main88688-18030
8871812280PIPE, COOLER REFRIGERANT SUCTION, NO.2
main88718-12280
9009120619
main90091-20619
9009900192
main90099-00192
9009904431
main90099-04431
9009904583
main90099-04583
9009905254
main90099-05254
9015960128
main90159-60128
9017906032
main90179-06032
9338556025
main93385-56025
9338558040
main93385-58040
9971812280
main99718-12280
34 parts on this diagram · 7 diagrams in section