E
EPC Data

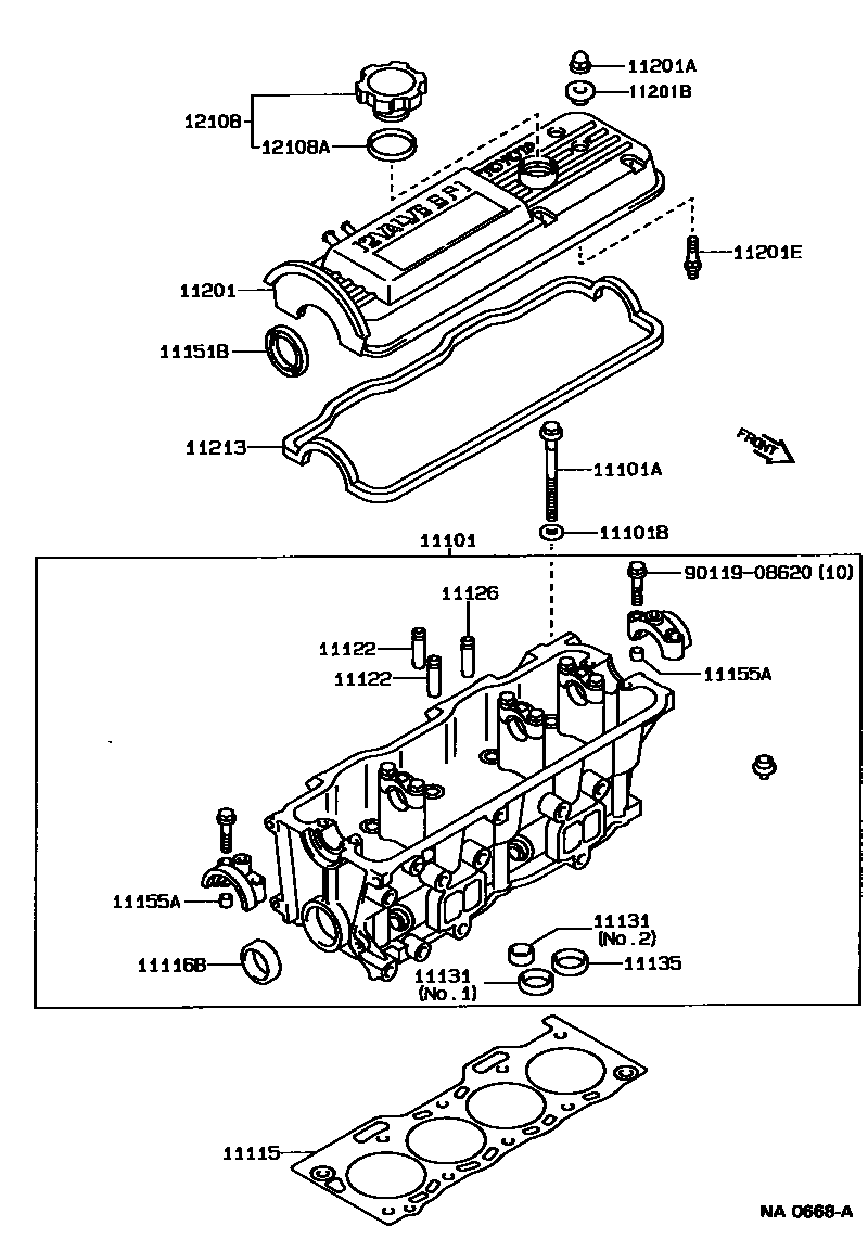
CYLINDER HEAD

Parts diagram
11101HEAD SUB-ASSY, CYLINDER
main11101-19355i199009-199409
11101ABOLT(FOR CYLINDER HEAD SET)
main90910-02101i199009-199409
11101BWASHER, PLATE(FOR CYLINDER HEAD SET)
main90201-09024i199009-199409
11115GASKET, CYLINDER HEAD
main11115-11010i199009-199409
T=1.25
11116BPLUG, TIGHT, NO.2
main96411-44000i199009-199409
11122BUSH, INTAKE VALVE GUIDE
main11122-10040i199009-199409
STD
main11123-10040i199009-199409
O/S 0.05
11126BUSH, EXHAUST VALVE GUIDE
main11122-10040i199009-199409
STD
main11123-10040i199009-199409
O/S 0.05
11131SEAT, INTAKE VALVE
main11131-11010i199009-199409
STD,NO.1
main11132-11010i199009-199409
O/S 0.03,NO.1
main11137-11020i199009-199409
STD,NO.2
main11138-11020i199009-199409
O/S 0.03,NO.2
11135SEAT, EXHAUST VALVE
main11135-11010i199009-199409
STD
main11136-11010i199009-199409
O/S 0.03
11151BSEAL, OIL(FOR CAMSHAFT SETTING)
main90311-35013i199009-199409
11155APIN, RING W/HEAD
main90253-11021i199009-199409
11201COVER SUB-ASSY, CYLINDER HEAD
main11201-10010i199009-199409
11201ANUT, CAP(FOR CYLINDER HEAD COVER)
main90176-08007i199009-199409
11201BWASHER, SEAL(FOR CYLINDER HEAD COVER)
main90210-09001i199009-199302
main90210-09019i199302-199409
11201EBOLT, STUD(FOR CYLINDER HEAD COVER SET)
main90116-08190i199009-199409
11213GASKET, CYLINDER HEAD COVER
main11213-10010i199009-199106
main11213-10011i199106-199409
12108CAP SUB-ASSY, OIL FILLER
main12180-11020i199009-199103
main12180-11021i199103-199208
main12180-70020i199307-199409
main12180-73011i199208-199308
12108AGASKET(FOR OIL FILLER CAP)
main12195-71020i199009-199409
9011908620

19 parts on this diagram · 1 diagram in section

CYLINDER HEAD — Toyota Parts Diagram with OEM Numbers & Prices | EPC Data