E
EPC Data

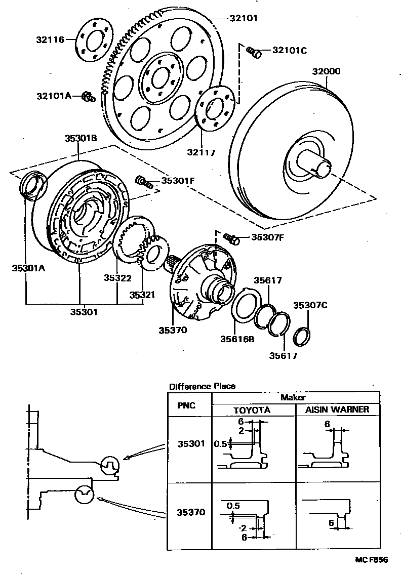
TORQUE CONVERTER, FRONT OIL PUMP & CHAIN (ATM)

Parts diagram
32000CONVERTER ASSY, TORQUE
main32000-12141i198808-198902
main32000-12160i198808-198902
PUERTO RICO SPEC
main32000-16070i198902-199009
32101GEAR SUB-ASSY, DRIVE PLATE & RING
main32101-16020i198808-199009
32101ABOLT(FOR DRIVE PLATE & TORQUE CONVERTER SETTING)
main90109-08113i198808-199009
*8-1.25PX12-8.4
main90119-08498×5i198808-199009
*8-1.25PX12-8
32101CBOLT, HEXAGON(FOR DRIVE PLATE SETTING)
main90105-10048×6i198808-199009
*10-1.25PX18-13
32116SPACER, DRIVE PLATE, FRONT
main32116-16010i198808-199009
32117SPACER, DRIVE PLATE, REAR
main32117-16010i198808-199009
35301BODY SUB-ASSY, FRONT OIL PUMP
main35035-32010i198808-199009
35301ASEAL, OIL (FOR FRONT OIL PUMP)
main90311-38020i198808-199009
35301BRING, O (FOR FRONT OIL PUMP BODY)
main90301-99024i198808-199009
35301FBOLT (FOR FRONT OIL PUMP SETTING)
main90105-08050×7i198808-199009
*8-1.25PX28-28
35307CRACE, THRUST BEARING (FOR STATOR SHAFT)
main35789-32020i198808-199009
T=0.8
main35789-32030i198808-199009
T=1.4
35307FBOLT (FOR STATOR SHAFT)
main90119-06180×11i198808-199009
35321GEAR, FRONT OIL PUMP DRIVE
main35321-32040i198808-199009
T=9.440-9.456,T=9.440-9.456, MARK A OR D
main35321-32050i198808-199009
T=9.456-9.474,T=9.456-9.474, MARK B OR E
main35321-32060i198808-199009
T=9.474-9.490,T=9.474-9.490, MARK C OR F
35322GEAR, FRONT OIL PUMP DRIVEN
main35322-32040i198808-199009
T=9.440-9.456,T=9.440-9.456, MARK A OR D
main35322-32050i198808-199009
T=9.456-9.474,T=9.456-9.474, MARK B OR E
main35322-32060i198808-199009
T=9.474-9.490,T=9.474-9.490, MARK C OR F
35370SHAFT ASSY, STATOR
main35370-12040i199001-199009
main35370-32022i198808-199001
35616BWASHER, CLUTCH DRUM THRUST (FOR STATOR SHAFT)
main35616-32010i198808-199009
35617RING, CLUTCH DRUM OIL SEAL
main35617-32011×2i198808-199009

17 parts on this diagram · 1 diagram in section

TORQUE CONVERTER, FRONT OIL PUMP & CHAIN (ATM) — Toyota Parts Diagram with OEM Numbers & Prices | EPC Data