E
EPC Data

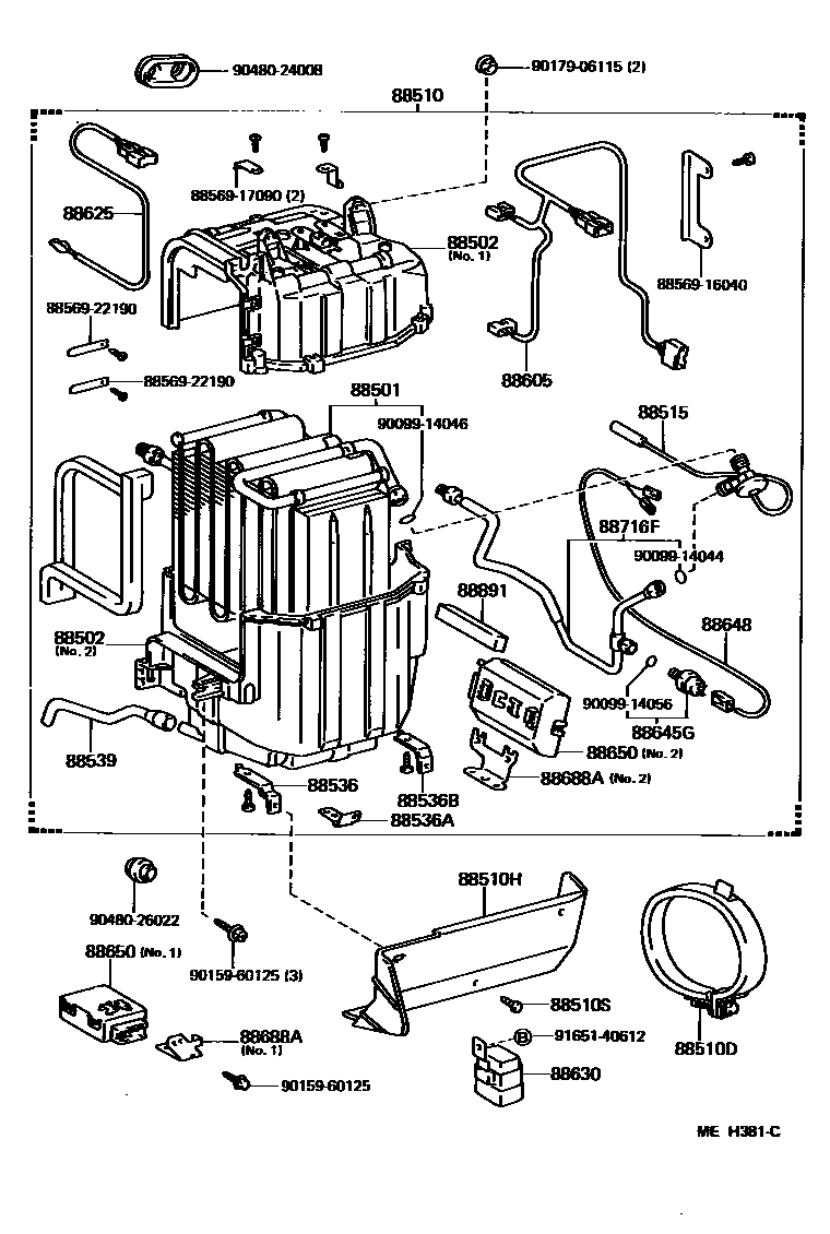
HEATING & AIR CONDITIONING - COOLER UNIT

Parts diagram
88501EVAPORATOR SUB-ASSY, COOLER, NO.1
main88501-16070i198608-198701
88502CASE SUB-ASSY, COOLING UNIT
main88502-16090i198608-198609
NO.1
main88502-16091i198609-198701
NO.1
main88502-16100i198608-198609
NO.2
main88502-16101i198609-198701
NO.2
88510UNIT ASSY, COOLER
main88510-16130i198608-198805
W/PS
main88510-16140i198608-198701
main88510-16180i198608-198708
W/PS
main88510-16181i198708-198808
W/PS
main88510-16190i198608-198708
main88510-16191i198708-198808
main88510-16200i198708-198808
main88510-16210i198805-198808
W/PS
main88510-16220i198805-198808
88510DCLAMP, COOLER UNIT
main88569-16030i198701-198808
88510HPLATE, COOLER UNIT, NO.1
main88899-16010-01i198608-198701
BLACK,NEW BLACK,TRIM2#
main88899-16010-04i198701-198708
BLUE,BLUE,TRIM8#
main88899-16010-05i198701-198708
BEIGE,DARK BEIGE,TRIM4#
main88899-16011-01i198708-198808
BLACK,NEW BLACK,TRIM2#
main88899-16011-04i198708-198808
BLUE,BLUE,TRIM8#
main88899-16011-05i198708-198808
BEIGE,DARK BEIGE,TRIM4#
88510SCLIP (FOR COOLER UNIT COVER)
main90467-10017-11×3i198708-198808
BLACK,BLACK,TRIM2#
main90467-10017-34×3i198608-198701
BLUE,BLUE,TRIM8#
main90467-10017-35×3i198701-198708
BEIGE,DARK BEIGE,TRIM4#
88515VALVE, COOLER EXPANSION
main88515-16040i198608-198701
88536BRACKET, COOLING UNIT, NO.1
main88688-16340i198608-198701
88536ABRACKET, COOLING UNIT, NO.2
main88688-16360i198701-198808
88536BBRACKET, COOLING UNIT, NO.3
main88688-16350i198608-198701
88539HOSE, COOLER UNIT DRAIN, NO.1
main88539-16030i198608-198701
88605HARNESS SUB-ASSY, COOLER WIRING, NO.1
main88605-16200i198608-198805
W/PS
main88605-16210i198608-198701
main88605-16520i198608-198808
W/PS
main88605-16530i198608-198808
main88605-16780i198805-198808
W/PS
main88605-16790i198805-198808
88625THERMISTOR, COOLER, NO.1
main88625-16080i198608-198701
88630RELAY ASSY, COOLER
main88630-16080i198805-198808
88645GSWITCH, PRESSURE
main88645-16020i198608-198701
main88645-16050i198807-198808
88648WIRING, COOLER, NO.1
main88648-16120i198608-198701
88650AMPLIFIER ASSY, COOLER STABILIZER
main88650-16160i198608-198708
W/PS,NO.2
main88650-16170i198608-198708
W/O PS,NO.2
main88650-16260i198608-198701
NO.1
main88650-16270i198608-198805
NO.1
main88650-16300i198608-198805
W/PS,NO.2
main88650-16310i198608-198701
W/O PS,NO.2
main88650-16350i198805-198808
W/PS,NO.2
main88650-16370i198805-198808
W/O PS,NO.2
main88650-16380i198805-198808
NO.1
88688ABRACKET, COOLER STABILIZER AMPLIFIER
main88688-16270i198701-198805
NO.2
main88688-16310i198805-198808
NO.1
main88688-16330i198608-198708
W/PS & SUB CONDENSER,NO.2; W/PS,NO.2
88716FPIPE, COOLER REFRIGERANT LIQUID, F
main88716-16280i198608-198701
88891PACKING (FOR COOLER)
main88578-10090i198608-198701
8856916040CLAMP (FOR COOLER RELAY)
8856917090CLAMP (FOR COOLER RELAY)
8856922190CLAMP (FOR COOLER RELAY)
9009914044
9009914046
9009914056
9015960125
9017906115
9048024008
9048026022
9165140612

31 parts on this diagram · 2 diagrams in section

HEATING & AIR CONDITIONING - COOLER UNIT — Toyota Parts Diagram with OEM Numbers & Prices | EPC Data