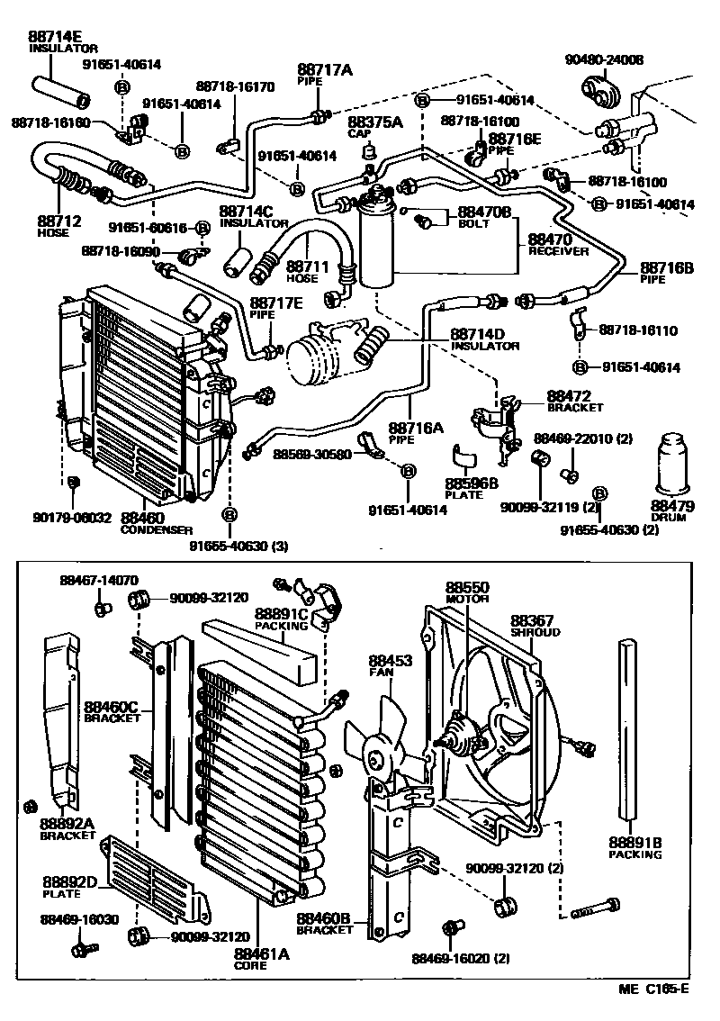
HEATING & AIR CONDITIONING - COOLER PIPING

88367SHROUD, COOLER BLOWER FAN
88375ACAP, SERVICE VALVE (FOR COOLER PIPE)
88453FAN, COOLING (FOR CONDENSER)
88460CONDENSER ASSY, COOLER
88460BBRACKET, COOLER CONDENSER, NO.1
88460CBRACKET, COOLER CONDENSER, NO.2
88461ACORE, COOLER CONDENSER
88470RECEIVER & DRYER ASSY, COOLER
88470BBOLT, FUSE
88472BRACKET, RECEIVER TANK, NO.1
88479FREON GAS, AIR CONDITIONER (DRUM, COOLER REFRIGERANT)
400G
88550MOTOR ASSY, BLOWER (FOR CONDENSER)
88596BPLATE, CAUTION, NO.1
88711HOSE, COOLER REFRIGERANT DISCHARGE, NO.1
88712HOSE, COOLER REFRIGERANT SUCTION, NO.1
88714CINSULATOR, COOLER REFRIGERANT HOSE, NO.1
88714DINSULATOR, COOLER REFRIGERANT HOSE, NO.2
88714EINSULATOR, COOLER REFRIGERANT HOSE, NO.3
88716APIPE, COOLER REFRIGERANT LIQUID, A
88716BPIPE, COOLER REFRIGERANT LIQUID, B
88716EPIPE, COOLER REFRIGERANT LIQUID, E
88717APIPE, COOLER REFRIGERANT SUCTION, A
88717EPIPE, COOLER REFRIGERANT SUCTION, E
88891BPACKING B (FOR COOLER)
88891CPACKING C (FOR COOLER)
88892ABRACKET, COOLER EVAPORATOR MOUNTING
88892DPLATE, CONDENSER, NO.2
8846714070CUSHION, COOLER CONDENSER, NO.1
main88467-14070
8846916020SWITCH, PRESSURE CONTROL
main88469-16020
8846916030SWITCH, PRESSURE CONTROL
main88469-16030
8846922010SWITCH, PRESSURE CONTROL
main88469-22010
8856930580CLAMP (FOR COOLER RELAY)
main88569-30580
8871816090PIPE, COOLER REFRIGERANT SUCTION, NO.2
main88718-16090
8871816100PIPE, COOLER REFRIGERANT SUCTION, NO.2
main88718-16100
8871816110PIPE, COOLER REFRIGERANT SUCTION, NO.2
main88718-16110
8871816160PIPE, COOLER REFRIGERANT SUCTION, NO.2
main88718-16160
8871816170PIPE, COOLER REFRIGERANT SUCTION, NO.2
main88718-16170
9009932119
main90099-32119
9009932120
main90099-32120
9017906032
main90179-06032
9048024008
main90480-24008
9165140614
main91651-40614
9165160616
main91651-60616
9165540630
main91655-40630
44 parts on this diagram · 3 diagrams in section