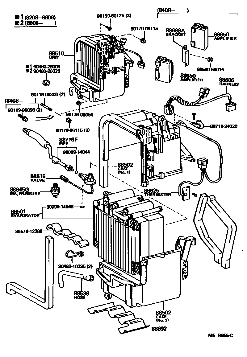
HEATING & AIR CONDITIONING - COOLER UNIT

88501EVAPORATOR SUB-ASSY, COOLER, NO.1
88502CASE SUB-ASSY, COOLING UNIT
NO.2
NO.1
88510UNIT ASSY, COOLER
88515VALVE, COOLER EXPANSION
88539HOSE, COOLER UNIT DRAIN, NO.1
88605HARNESS SUB-ASSY, COOLER WIRING, NO.1
88625THERMISTOR, COOLER, NO.1
88645GSWITCH, PRESSURE
88650AMPLIFIER ASSY, COOLER STABILIZER
88688ABRACKET, COOLER STABILIZER AMPLIFIER
88716FPIPE, COOLER REFRIGERANT LIQUID, F
88892BRACKET, COOLER EVAPORATOR MOUNTING
8857812280PAKING, COOLER AIR DUCT
main88578-12280
8871824020PIPE, COOLER REFRIGERANT SUCTION, NO.2
main88718-24020
9009914044
main90099-14044
9009914046
main90099-14046
9011606306
main90116-06306
9011906098
main90119-06098
9015960125
main90159-60125
9017906054
main90179-06054
9017906115
main90179-06115
9046310335
main90463-10335
9048026004
main90480-26004
9048026022
main90480-26022
9359056014
main93590-56014
25 parts on this diagram · 2 diagrams in section