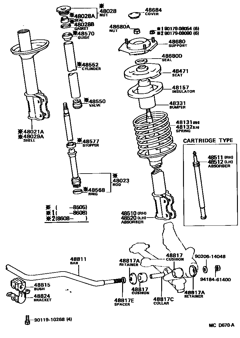
FRONT SPRING & SHOCK ABSORBER

48021ASHELL SUB-ASSY, FRONT SHOCK ABSORBER, RH
48028NUT SUB-ASSY, SHOCK ABSORBER RING
sub48028-17010
48028ASEAL, OIL(FOR SHOCK ABSORBER RING NUT)
48029ASHELL SUB-ASSY, FRONT SHOCK ABSORBER, LH
48132SPRING, FRONT COIL, LH
sub48131-16211
W/COOLER
sub48131-16242
sub48131-16270
W/COOLER
W/COOLER
W/COOLER
48157INSULATOR, FRONT COIL SPRING, UPPER
48331BUMPER, FRONT SPRING, NO.1
48471SEAT, FRONT SPRING, UPPER
48510ABSORBER ASSY, SHOCK, FRONT RH
sub48510-16120
sub48510-16150
sub48510-16140
sub48510-16121
sub48510-16230
sub48510-16141
sub48510-16240
sub48510-16151
sub48510-16250
sub48510-16680
sub48510-16230
sub48510-16690
48520ABSORBER ASSY, SHOCK, FRONT LH
sub48510-16120
sub48510-16150
sub48510-16140
sub48510-16121
sub48510-16230
sub48510-16141
sub48510-16240
sub48510-16151
sub48510-16250
sub48510-16680
sub48510-16230
sub48510-16690
48550VALVE ASSY, SHOCK ABSORBER BASE
48552CYLINDER, SHOCK ABSORBER(FOR FRONT)
48570GUIDE ASSY, SHOCK ABSORBER ROD
48577STOPPER, SHOCK ABSORBER REBOUND
48680SUPPORT ASSY, FRONT SUSPENSION
48680ANUT(FOR FRONT SUPPORT TO FRONT SHOCK ABSORBER)
48680DSEAL, DUST(FOR FRONT SUSPENSION SUPPORT)
48684COVER, BEARING DUST
48815BUSH, FRONT STABILIZER BAR, NO.1
48817CUSHION, FRONT STABILIZER
FR
RR
48817ARETAINER, CUSHION, NO.1(FOR FRONT STABILIZER BAR)
48817CCOLLAR(FOR STABILIZER BAR)
48817ESPACER(FOR STABILIZER BAR)
48824BRACKET, STABILIZER, FRONT
9011910268
main90119-10268
9017908054
main90179-08054
9017908090
main90179-08090
9020614048
main90206-14048
9418461400
main94184-61400
36 parts on this diagram · 1 diagram in section