E
EPC Data

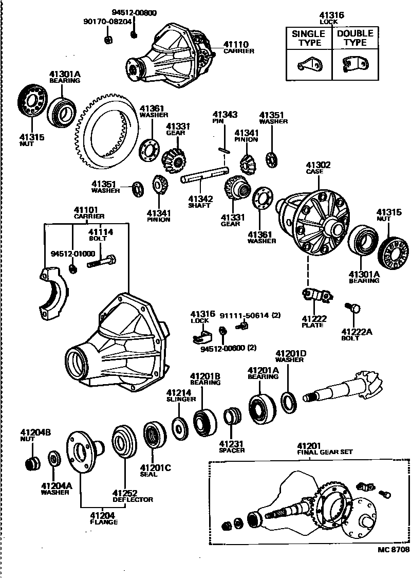
REAR AXLE HOUSING & DIFFERENTIAL

Parts diagram
41101CARRIER SUB-ASSY, DIFFERENTIAL, REAR
main41101-12030i198208-198801
41110CARRIER ASSY, DIFFERENTIAL, REAR
main41110-10080i198408-198801
main41110-10100i198408-198801
main41110-12140i198208-198408
41114BOLT, REAR DIFFERENTIAL BEARING CAP
main90101-10128×4i198208-198801
41201FINAL GEAR KIT, DIFFERENTIAL, REAR
main41201-19228i198408-198801
*FGR=41:10
main41201-19238i198408-198801
*FGR=43:11
main41201-19305i198208-198408
41201ABEARING (FOR REAR DRIVE PINION REAR)
main90368-30069i198208-198801
41201BBEARING (FOR REAR DRIVE PINION FRONT)
main90366-25047i198208-198801
41201CSEAL, OIL (FOR REAR DIFFERENTIAL CARRIER)
main90311-35131i198208-198801
41201DWASHER, PLATE (FOR REAR DIFFERENTIAL DRIVE PINION)
main90201-30234i198208-198801
T=2.33
main90201-30235i198208-198801
T=2.36
main90201-30236i198208-198801
T=2.39
main90201-30237i198208-198801
T=2.41-2.43,T=2.42
main90201-30238i198208-198801
T=2.44-2.46,T=2.45
main90201-30239i198208-198801
T=2.47-2.49,T=2.48
main90201-30240i198208-198801
T=2.50-2.52,T=2.51
main90201-30241i198208-198801
T=2.53-2.55,T=2.54
main90201-30242i198208-198801
T=2.56-2.58,T=2.57
main90201-30539i198208-198801
T=2.23-2.25,T=2.24
main90201-30540i198208-198801
T=2.26-2.28,T=2.27
main90201-30541i198208-198801
T=2.29-2.31,T=2.30
main90201-30542i198208-198801
T=2.59-2.61,T=2.60
main90201-30543i198208-198801
T=2.62-2.64,T=2.63
main90201-30544i198208-198801
T=2.65-2.67,T=2.66
41204FLANGE SUB-ASSY, REAR DRIVE PINION COMPANION, REAR
main41204-12020i198208-198801
41204AWASHER, PLATE (FOR REAR DRIVE PINION)
main90201-16244i198208-198801
41204BNUT (FOR REAR DRIVE PINION)
main90179-16052i198208-198801
41214SLINGER, REAR DIFFERENTIAL DRIVE PINION OIL
main41214-12020i198208-198801
41222PLATE, REAR DIFFERENTIAL RING GEAR SET BOLT LOCK
main41222-12030×4i198208-198801
41222ABOLT (FOR REAR DIFFERENTIAL RING GEAR SET)
main90101-11365×8i198208-198801
41231SPACER, REAR DIFFERENTIAL DRIVE PINION BEARING
main41231-12020i198208-198801
41252DEFLECTOR, DUST (FOR REAR DIFFERENTIAL)
main41252-12020i198208-198801
41301ABEARING(FOR REAR DIFFERENTIAL CASE)
main90368-34001×2i198512-198801
NSK
main90368-34020×2i198208-198801
KOYO
main90368-34039×2i198208-198512
NSK
41302CASE SUB-ASSY, REAR DIFFERENTIAL
main41311-12030i198208-198801
41315NUT, REAR DIFFERENTIAL BEARING ADJUSTING
main41315-12020×2i198208-198801
41316LOCK, REAR DIFFERENTIAL BEARING ADJUSTING NUT
main41316-12010×2i198208-198801
SINGLE TYPE
main41317-12010×2i198208-198801
DOUBLE TYPE
41331GEAR, REAR DIFFERENTIAL SIDE
main41331-20011×2i198208-198801
41341PINION, REAR DIFFERENTIAL
main41341-20011×2i198208-198801
41342SHAFT, REAR DIFFERENTIAL PINION
main41342-12010i198208-198801
41343PIN, REAR DIFFERENTIAL PINION SHAFT
main90250-04053i198208-198801
41351WASHER, REAR DIFFERENTIAL PINION THRUST
main41351-12010×2i198208-198801
41361WASHER, REAR DIFFERENTIAL SIDE GEAR THRUST, NO.1
main41361-12010×2i198208-198801
T=1.50,T=1.50
main41361-12020×2i198208-198801
T=1.55,T=1.55
main41361-12030×2i198208-198801
T=1.60,T=1.60
main41361-12040×2i198208-198801
T=1.65,T=1.65
main41361-12050×2i198208-198801
T=1.70,T=1.70
main41361-12060×2i198208-198801
T=1.75,T=1.75
9017008204
9111150614
9451200600
9451200800
9451201000

31 parts on this diagram · 2 diagrams in section

REAR AXLE HOUSING & DIFFERENTIAL — Toyota Parts Diagram with OEM Numbers & Prices | EPC Data