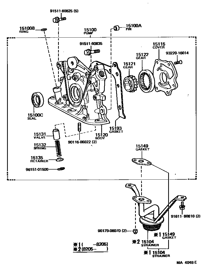
ENGINE OIL PUMP

15100PUMP ASSY, OIL
15100APIN, RING(FOR OIL PUMP SET)
15100BRING, O(FOR OIL PUMP)
15100CSEAL(FOR OIL PUMP)
15104STRAINER SUB-ASSY, OIL
15115COVER, OIL PUMP
15120BODY SUB-ASSY, OIL PUMP
15121GEAR, OIL PUMP DRIVE
15122GEAR, OIL PUMP DRIVEN
15131VALVE, OIL PUMP RELIEF
15132SPRING, OIL PUMP RELIEF VALVE
15135RETAINER, OIL PUMP RELIEF VALVE
15149GASKET, OIL STRAINER FLANGE
15193GASKET, OIL PUMP
9011606022
main90116-06022
9017908070
main90179-08070
9151160825
main91511-60825
9151160835
main91511-60835
9161160610
main91611-60610
9322016014
main93220-16014
9615101500
main96151-01500
21 parts on this diagram · 1 diagram in section