E
EPC Data

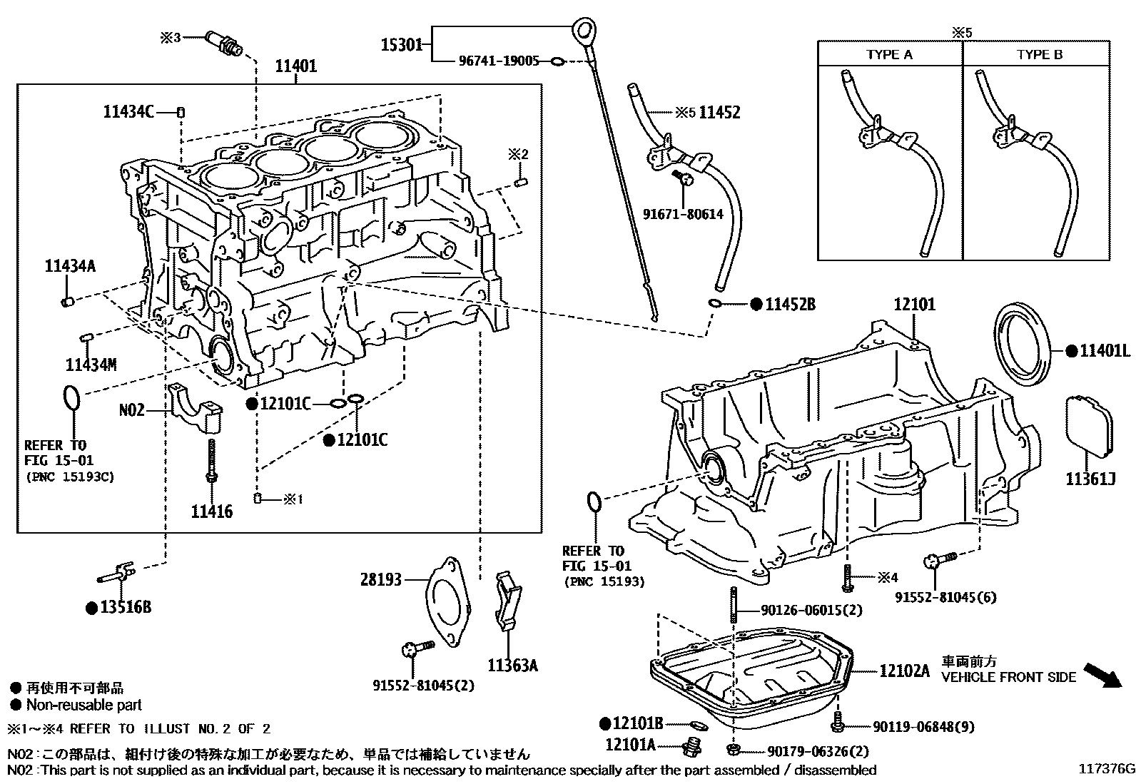
CYLINDER BLOCK

Parts diagram
11361JCOVER, FLYWHEEL HOUSING UNDER
main11361-21011i201112-201706
11363ACOVER, FLYWHEEL HOUSING SIDE
main11363-21020i201112-201706
11401BLOCK SUB-ASSY, CYLINDER
main11401-80804i201112-201512
main11401-80883i201512-201706
11401LSEAL, ENGINE REAR OIL
main90311-75018i201112-201201
main90311-75019i201201-201603
main90311-75022i201604-201706
11416BOLT(FOR CRANKSHAFT BEARING CAP SET)
main90910-02125i201112-201903
main90910-02207i201904
11434APIN, STRAIGHT(FOR TIMING GEAR COVER SET)
main90253-08003i201112-201706
L=8,OD=8
11434CPIN, STRAIGHT (FOR CYLINDER HEAD SET)
main90250-08120i201112-201706
L=18,OD=8
11434MPIN, STRAIGHT(FOR CHAIN TENSIONER)
main90250-10030i201112-201706
11452GUIDE, OIL LEVEL GAGE
main11452-21040i201112-201306
TYPE A:REFER ILLUST.
main11452-21041i201306-201706
TYPE B:REFER ILLUST.
11452BRING, O(FOR OIL LEVEL GAGE GUIDE)
main96721-19010i201112-201706
12101PAN SUB-ASSY, OIL
main12111-21070i201112-202107
12101APLUG(FOR OIL PAN DRAIN)
main90341-12012i201112-201706
12101BGASKET(FOR OIL PAN DRAIN PLUG)
main90430-12031i201112-201706
12101CRING, O(FOR OIL PAN)
main96722-24020i201112-201706
12102APAN SUB-ASSY, OIL, NO.2
main12102-21010i201112-201706
13516BJET, OIL
main13516-21010i201112-201312
main13516-21011i201401-201706
1501
15301GAGE SUB-ASSY, OIL LEVEL
main15301-21050i201112-201612
main15301-21051i201701-201706
28193INSULATOR, STARTER HOLE
main28193-21020i201112-201706
9011906848
9012606015
9017906326
9155281045
9167180614
9674119005

25 parts on this diagram · 2 diagrams in section

CYLINDER BLOCK — Toyota Parts Diagram with OEM Numbers & Prices | EPC Data