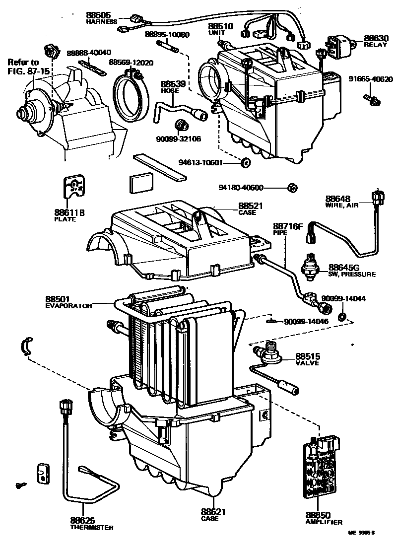
HEATING & AIR CONDITIONING - COOLER UNIT

8715HEATING & AIR CONDITIONING - CONTROL & AIR DUCT
88501EVAPORATOR SUB-ASSY, COOLER, NO.1
88510UNIT ASSY, COOLER
88515VALVE, COOLER EXPANSION
88521CASE, COOLER UNIT
UPR
LWR
88539HOSE, COOLER UNIT DRAIN, NO.1
88605HARNESS SUB-ASSY, COOLER WIRING, NO.1
88611BPLATE, COOLER CONTROL SWITCH
88625THERMISTOR, COOLER, NO.1
88630RELAY ASSY, COOLER
88645GSWITCH, PRESSURE
88648WIRING, COOLER, NO.1
88650AMPLIFIER ASSY, COOLER STABILIZER
88716FPIPE, COOLER REFRIGERANT LIQUID, F
8856912020CLAMP (FOR COOLER RELAY)
main88569-12020
8888840040BAND (FOR COOLER COMPRESSOR)
main88888-40040
8889510080HOLDER, FUSE
main88895-10080
9009914044
main90099-14044
9009914046
main90099-14046
9009932106
main90099-32106
9166540620
main91665-40620
9418040600
main94180-40600
9461310601
main94613-10601
23 parts on this diagram · 2 diagrams in section