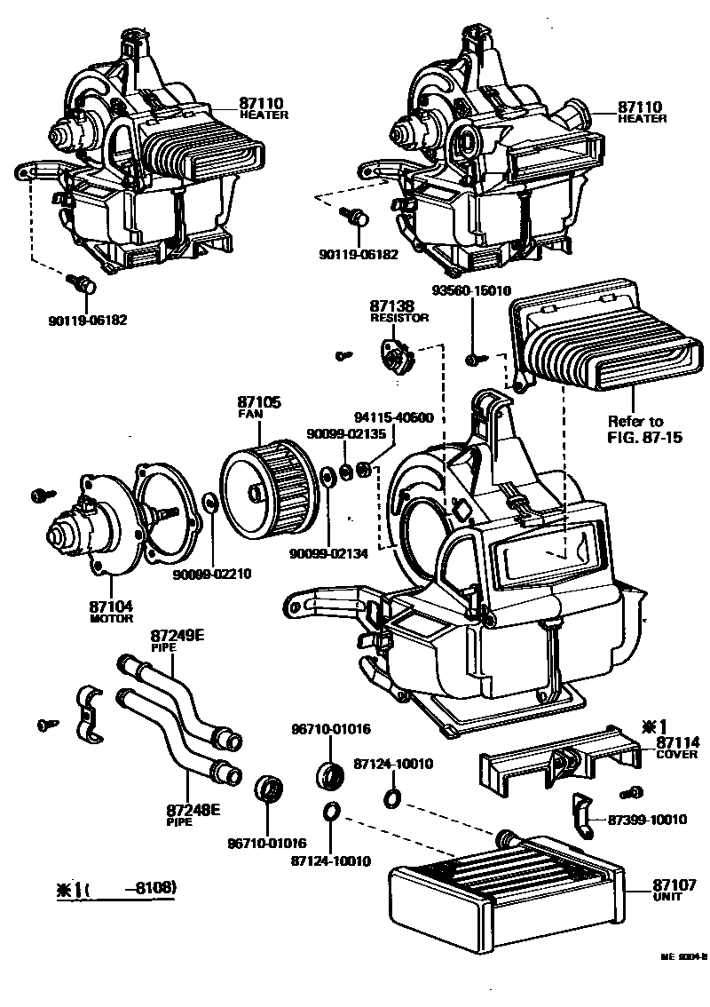
HEATING & AIR CONDITIONING - HEATER UNIT & BLOWER

87104MOTOR SUB-ASSY, HEATER BLOWER
HEAVY DUTY,W/COOLER
HEAVY DUTY
HEAVY DUTY,W/RR DUCT;HEAVY DUTY
87107UNIT SUB-ASSY, HEATER RADIATOR
FIN PICH=3.2
87110HEATER ASSY
W/COOLER
W/COOLER
HEAVY DUTY
HEAVY DUTY
HEAVY DUTY,W/COOLER
HEAVY DUTY,W/RR DUCT
87138RESISTOR, HEATER BLOWER
W/COOLER
HEAVY DUTY
8715HEATING & AIR CONDITIONING - CONTROL & AIR DUCT
87248EPIPE, HEATER WATER INLET, E
87249EPIPE, HEATER WATER OUTLET, E (FOR HEATER UNIT)
8712410010CLAMP, HEATER
main87124-10010
8739910010BAND ASSY (FOR COMBUSTION HEATER)
main87399-10010
9009902134
main90099-02134
9009902135
main90099-02135
9009902210
main90099-02210
9011906182
main90119-06182
9356015010
main93560-15010
9411540500
main94115-40500
9671001016
main96710-01016
18 parts on this diagram · 2 diagrams in section