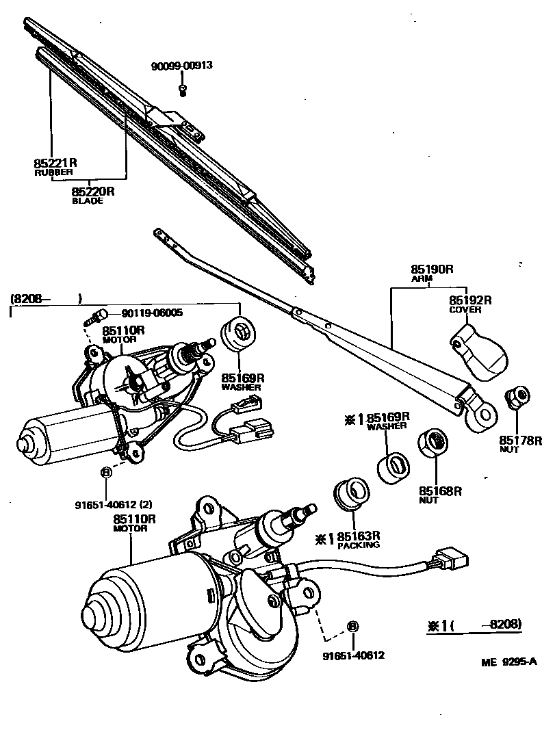
REAR WIPER

85163RPACKING, REAR WIPER PIVOT, NO.1
85168RNUT, REAR WIPER LINK PIVOT, NO.1
85169RWASHER, REAR WIPER LINK PIVOT, NO.1
85178RNUT (FOR REAR WIPER ARM SETTING)
85192RCOVER, REAR WIPER ARM
85220RBLADE ASSY, REAR WIPER
85221RBLADE, REAR WIPER
9009900913
main90099-00913
9011906005
main90119-06005
9165140612
main91651-40612
12 parts on this diagram · 1 diagram in section