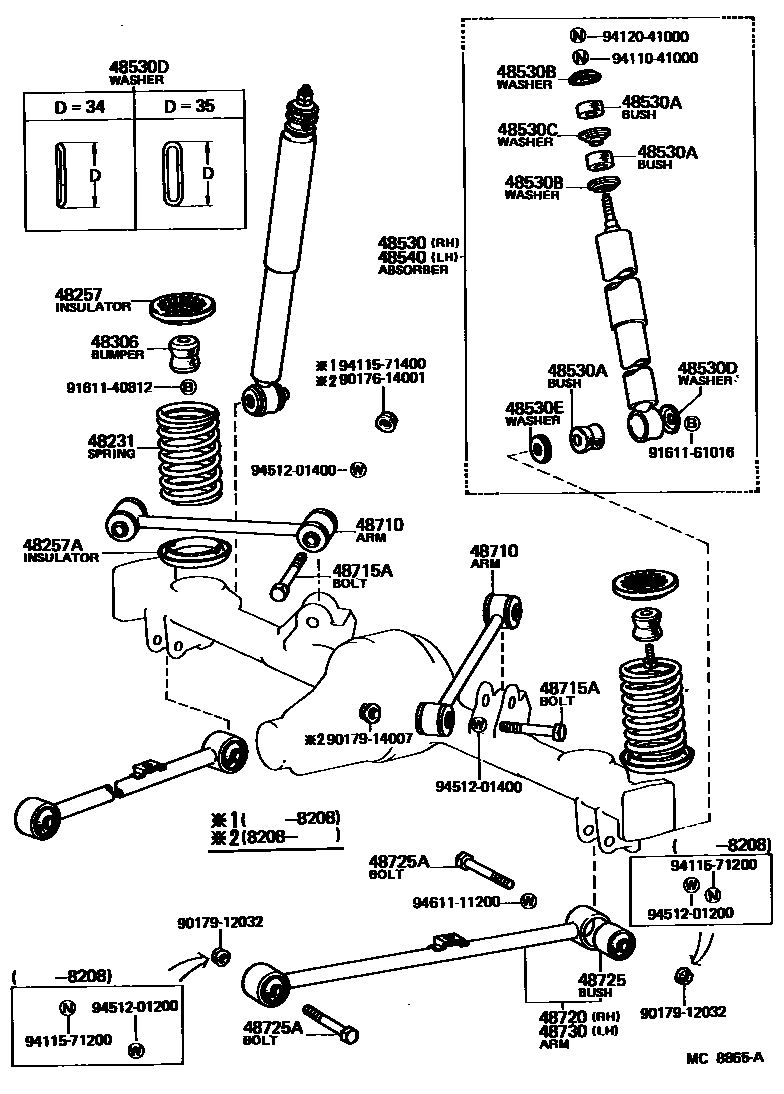
REAR SPRING & SHOCK ABSORBER

48231SPRING, COIL, REAR
LH
RH
RH
LH
48257INSULATOR, REAR COIL SPRING
48257AINSULATOR, REAR COIL SPRING, LOWER
48306BUMPER SUB-ASSY, REAR SPRING
48530ABSORBER ASSY, SHOCK, REAR RH
48530ABUSH(FOR REAR SHOCK ABSORBER)
ABSORBER X RR AXLE HOUSING
ABSORBER X BODY
ABSORBER X BODY
48530BWASHER, REAR SHOCK ABSORBER CUSHION, NO.1
48530CWASHER, REAR SHOCK ABSORBER CUSHION, NO.2
48530DWASHER, REAR SHOCK ABSORBER CUSHION, NO.3
OD=34
OD=35
48530EWASHER, REAR SHOCK ABSORBER CUSHION, NO.4
48540ABSORBER ASSY, SHOCK, REAR LH
48710ARM ASSY, UPPER CONTROL
48715ABOLT, HEXAGON(FOR UPPER CONTROL ARM)
48720ARM ASSY, LOWER CONTROL, RH
48725BUSH, LOWER CONTROL ARM
48725ABOLT(FOR LOWER CONTROL ARM)
48730ARM ASSY, LOWER CONTROL, LH
9017614001
main90176-14001
9017912032
main90179-12032
9017914007
main90179-14007
9161140812
main91611-40812
9161161016
main91611-61016
9411041000
main94110-41000
9411571200
main94115-71200
9411571400
main94115-71400
9412041000
main94120-41000
9451201200
main94512-01200
9451201400
main94512-01400
9461111200
main94611-11200
29 parts on this diagram · 1 diagram in section