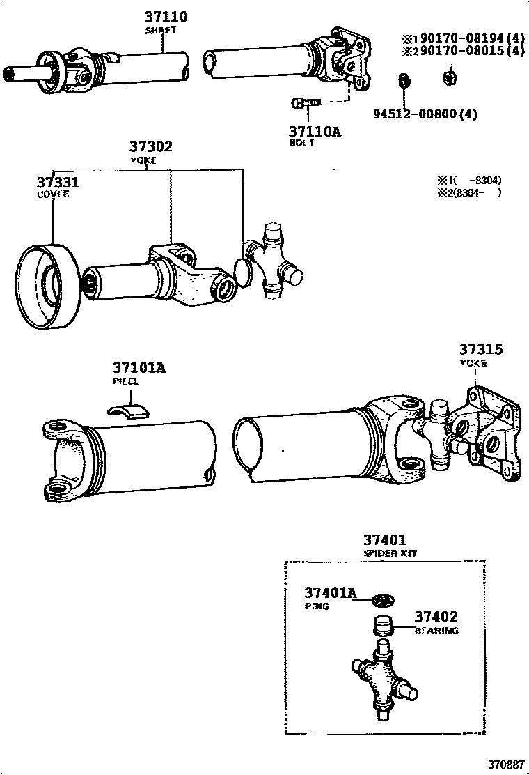
PROPELLER SHAFT & UNIVERSAL JOINT

37101APIECE, BALANCE, NO.1 (FOR PROPELLER SHAFT)
10G,L=20.7,10G
20G,L=41.4,20G
30G,L=62.2,30G
2G,T=2.0,2G
4G,T=2.0,4G
6G,L=12.4,6G
8G,L=16.6,8G
12G,L=24.9,12G
14G,L=29.0,14G
16G,L=33.2,16G
18G,L=37.3,18G
22G,L=45.6,22G
24G,L=49.7,24G
26G,L=53.9,26G
28G,L=58.1,28G
37110ABOLT (FOR PROPELLER SHAFT)
*8-1.25PX22-10,13G
*8-1.25PX25-12,13G
15G,YELLOW
17G,YELLOW
19G,YELLOW
15G,BLACK
17G,BLACK
19G,BLACK
*8-1.25PX25-12,13.5G
37302YOKE SUB-ASSY, UNIVERSAL JOINT SLEEVE
37315YOKE, UNIVERSAL JOINT FLANGE
37331COVER, SLIDING SHAFT DUST
37401SPIDER KIT, UNIVERSAL JOINT
37401ARING, HOLE SNAP (FOR SPIDER BEARING)
T=1.2,T=1.175-1.225
T=1.25,T=1.225-1.275
T=1.30,T=1.275-1.325
37402BEARING SUB-ASSY, UNIVERSAL JOINT SPIDER
9017008015
main90170-08015
9017008194
main90170-08194
9451200800
main94512-00800
12 parts on this diagram · 1 diagram in section