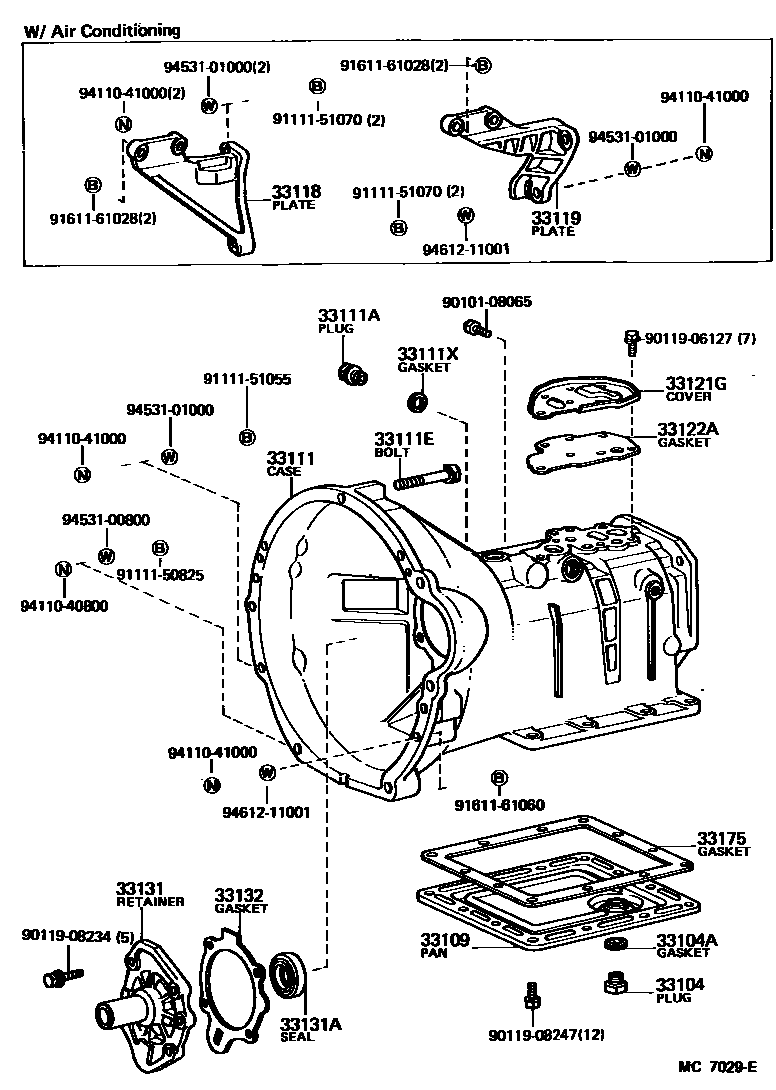
CLUTCH HOUSING & TRANSMISSION CASE (MTM)

33104PLUG SUB-ASSY, DRAIN(MTM)
33109PAN SUB-ASSY, TRANSMISSION OIL(MTM)
sub33109-12012
33111APLUG, MANUAL TRANSMISSION CASE
33111EBOLT(FOR TRANSMISSION CASE & ENGINE SETTING)
33118PLATE, STIFFENER, RH(MTM)
W/AIR CONDITIONING
33119PLATE, STIFFENER, LH(MTM)
W/AIR CONDITIONING
33121GCOVER, MANUAL TRANSMISSION CASE
33122AGASKET, MANUAL TRANSMISSION CASE COVER
33131RETAINER, BEARING, FRONT(MTM)
33131ASEAL, OIL(FOR TRANSMISSION FRONT BEARING RETAINER)
33132GASKET, FRONT BEARING RETAINER(MTM)
33175GASKET, MANUAL TRANSMISSION OIL PAN
9010108065
main90101-08065
9011906127
main90119-06127
9011908234
main90119-08234
9011908247
main90119-08247
9111150825
main91111-50825
9111151055
main91111-51055
9111151070
main91111-51070
9161161028
main91611-61028
9161161060
main91611-61060
9411040800
main94110-40800
9411041000
main94110-41000
9453100800
main94531-00800
9453101000
main94531-01000
9461211001
main94612-11001
29 parts on this diagram · 1 diagram in section