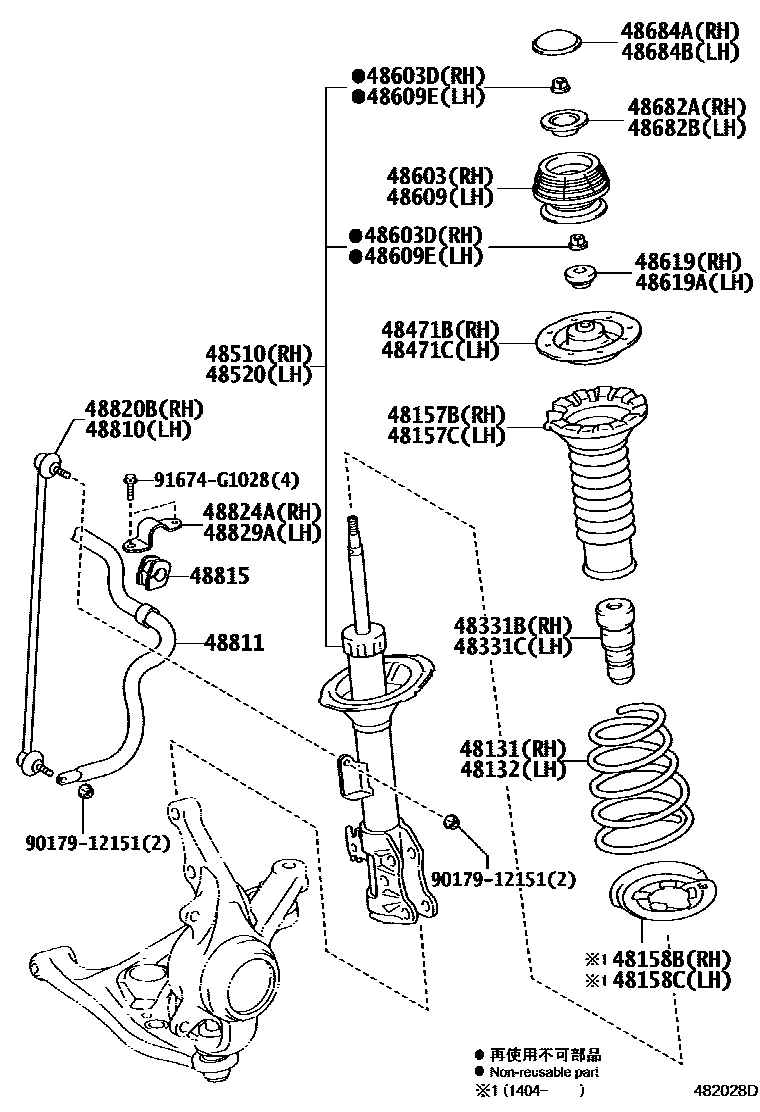
FRONT SPRING & SHOCK ABSORBER

48131SPRING, FRONT COIL, RH
48132SPRING, FRONT COIL, LH
48157BINSULATOR, FRONT COIL SPRING, UPPER RH
48157CINSULATOR, FRONT COIL SPRING, UPPER LH
48158BINSULATOR, FRONT COIL SPRING, LOWER RH
48158CINSULATOR, FRONT COIL SPRING, LOWER LH
48331BBUMPER, FRONT SPRING, RH
48331CBUMPER, FRONT SPRING, LH
48471BSEAT, FRONT COIL SPRING, UPPER RH
48471CSEAT, FRONT COIL SPRING, UPPER LH
48510ABSORBER ASSY, SHOCK, FRONT RH
MARK 48510-52E20
MARK 48510-52G30
MARK 48510-52G31
48520ABSORBER ASSY, SHOCK, FRONT LH
MARK 48520-52300
MARK 48520-52350
MARK 48520-52531
48603SUPPORT SUB-ASSY, FRONT SUSPENSION, RH
48603DNUT(FOR FRONT SUPPORT TO FRONT SHOCK ABSORBER RH)
48609SUPPORT SUB-ASSY, FRONT SUSPENSION, LH
48609ENUT(FOR FRONT SUPPORT TO FRONT SHOCK ABSORBER LH)
48619BEARING, STRUT MOUNTING, RH
48619ABEARING, STRUT MOUNTING, LH
48682ASUPPORT, FRONT SUSPENSION, NO.2 RH
48682BSUPPORT, FRONT SUSPENSION, NO.2 LH
48684ACOVER, FRONT SUSPENSION SUPPORT DUST, RH
48684BCOVER, FRONT SUSPENSION SUPPORT DUST, LH
48810LINK ASSY, FRONT STABILIZER, LH
48811BAR, STABILIZER, FRONT
sub48811-52290
48815BUSH, FRONT STABILIZER BAR, NO.1
48820BLINK ASSY, FRONT STABILIZER, RH
48824ABRACKET, FRONT STABILIZER, NO.1 RH
48829ABRACKET, FRONT STABILIZER, NO.1 LH
9017912151
main90179-12151
91674G1028
main91674-G1028
30 parts on this diagram · 1 diagram in section