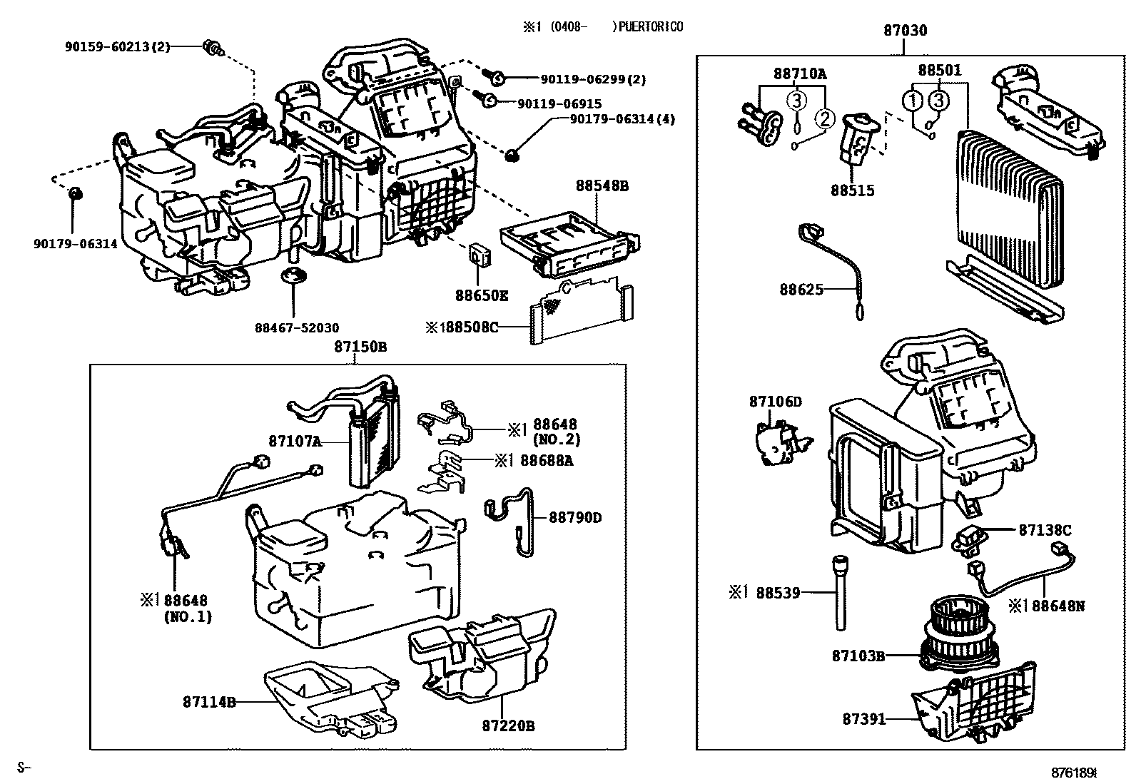
HEATING & AIR CONDITIONING - COOLER UNIT

87030BLOWER ASSY, AIR CONDITIONER
87103BMOTOR SUB-ASSY, BLOWER W/FAN
87106DSERVO SUB-ASSY, DAMPER, NO.1
87107AUNIT SUB-ASSY, HEATER RADIATOR
87114BCOVER, HEATER
87138CRESISTOR, BLOWER
87150BRADIATOR ASSY, HEATER
87220BDUCT ASSY, AIR
87391COVER, BLOWER MOTOR
88501EVAPORATOR SUB-ASSY, COOLER, NO.1
88508CFILTER SUB-ASSY, AIR
PUERTORICO SPEC
88539HOSE, COOLER UNIT DRAIN, NO.1
PUERTORICO SPEC
88548BCASE, AIR FILTER
88625THERMISTOR, COOLER, NO.1
PUERTORICO SPEC
88648WIRING, COOLER, NO.1
PUERTORICO SPEC,NO.1
PUERTORICO SPEC,NO.2
88648NWIRING, COOLER, NO.2
PUERTORICO SPEC
88650EAMPLIFIER ASSY, AIR CONDITIONER, NO.1
88688ABRACKET, COOLER STABILIZER AMPLIFIER
88710ATUBE ASSY, AIR CONDITIONER
88790DTHERMISTOR ASSY
8846752030CUSHION, COOLER CONDENSER, NO.1
main88467-52030
9011906299
main90119-06299
9011906915
main90119-06915
9015960213
main90159-60213
9017906314
main90179-06314
26 parts on this diagram · 2 diagrams in section