E
EPC Data

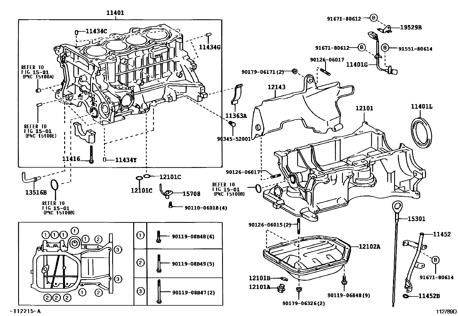
CYLINDER BLOCK

Parts diagram
11363ACOVER, FLYWHEEL HOUSING SIDE
main11363-21010i200302
11401BLOCK SUB-ASSY, CYLINDER
main11401-0J010i200101-200302
(L)
main11401-0J020i200205-200511
main11401-0J030i200302-200511
main11401-23021i200101-200201
(J)
main11401-23030i200201-200302
(J)
main11401-39545i200302-200310
main11401-39615i200310-200404
main11401-39715i200404-200505
main11401-39716i200505
11401GSENSOR, CRANK POSITION
main90919-05056i200302
11401LSEAL, ENGINE REAR OIL
main90080-31094i200302
(L)
main90311-75016i200302
(J)
11416BOLT(FOR CRANKSHAFT BEARING CAP SET)
main90105-10492i200101-200302
main90910-02147i200302
11434CPIN, STRAIGHT (FOR CYLINDER HEAD SET)
main90250-08120i200302
L=18,OD=8
main90253-12002i200101-200302
L=12,OD=12
11434GPIN, STRAIGHT(FOR END PLATE)
main90250-10113i200101-200302
11434YPIN, STRAIGHT(FOR OIL PAN)
main90250-08120i200302
11452GUIDE, OIL LEVEL GAGE
main11452-33010i200302
11452BRING, O(FOR OIL LEVEL GAGE GUIDE)
main96721-19010i200302
12101PAN SUB-ASSY, OIL
main12100-0J010i200205-200302
main12101-0J010i200101-200302
main12111-33050i200302
12101APLUG(FOR OIL PAN DRAIN)
main90341-12012i200101-200206
main90341-12032i200205-200302
12101BGASKET(FOR OIL PAN DRAIN PLUG)
main90080-43037i200302-200511
(L)
main90080-43037i200302
main90430-12031i200302-200511
(J)
main90430-12031i200101-200302
12101CRING, O(FOR OIL PAN)
main96722-24020i200302
12102APAN SUB-ASSY, OIL, NO.2
main12102-21010i200302
12143COVER, OIL PAN
main12143-0N010i200302
13516BJET, OIL
main13516-21020i200302-200511
1501
15301GAGE SUB-ASSY, OIL LEVEL
main15301-33020i200302
15708NOZZLE SUB-ASSY, OIL, NO.1
main15708-23010i200101-200211
main15708-23020i200211-200302
main15708-33010i200302
19529BCLAMP
main19529-33010i200302
9011006018
9011906848
9011908B47
9011908B48
9011908B49
9012606015
9012606017
9017906171
9017906326
9034552001
9155180614
9167180612
9167180614

34 parts on this diagram · 4 diagrams in section

CYLINDER BLOCK — Toyota Parts Diagram with OEM Numbers & Prices | EPC Data