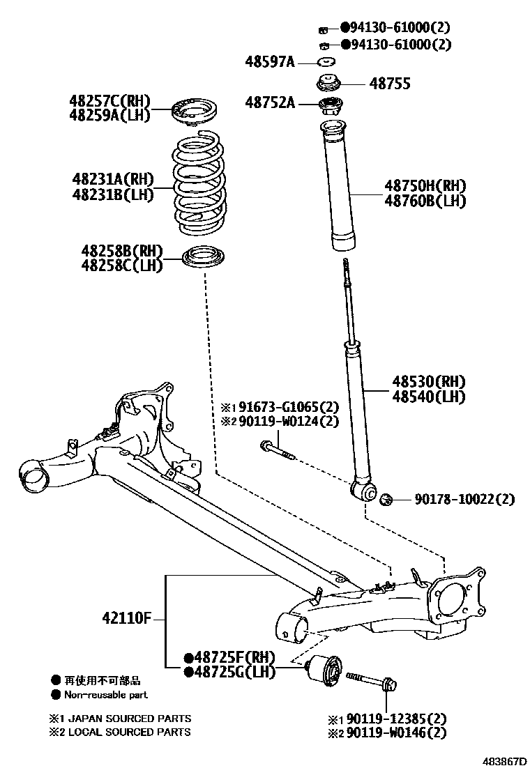
REAR SPRING & SHOCK ABSORBER

42110FBEAM ASSY, REAR AXLE
PUERTO RICO SPEC&SE PACKAGE
SE PACKAGE
48231ASPRING, COIL, REAR RH
TIRE & DISC WHEEL-195/50R16 ALL SEASON TIRE ALUMI MACHINED
TIRE & DISC WHEEL-P195/50R16 ALL SEASON TIRE 6J ALUMINUM
TIRE & DISC WHEEL-195/50R16 ALL SEASON TIRE ALUMI MACHINED
TIRE & DISC WHEEL-P195/50R16 ALL SEASON TIRE 6J ALUMINUM
TIRE & DISC WHEEL-P195/50R16, 6J
48231BSPRING, COIL, REAR LH
TIRE & DISC WHEEL-P195/50R16 ALL SEASON TIRE 6J ALUMINUM
TIRE & DISC WHEEL-195/50R16 ALL SEASON TIRE ALUMI MACHINED
TIRE & DISC WHEEL-P195/50R16, 6J
TIRE & DISC WHEEL-P195/50R16 ALL SEASON TIRE 6J ALUMINUM
TIRE & DISC WHEEL-195/50R16 ALL SEASON TIRE ALUMI MACHINED
48257CINSULATOR, REAR COIL SPRING, UPPER RH
48258BINSULATOR, REAR COIL SPRING, LOWER RH
48258CINSULATOR, REAR COIL SPRING, LOWER LH
48259AINSULATOR, REAR COIL SPRING, UPPER LH
48530ABSORBER ASSY, SHOCK, REAR RH
MARK 48530-0D820
MARK 48530-0DA10
MARK 48530-0DA10,TIRE & DISC WHEEL-P195/50R16 ALL SEASON TIRE 6J ALUMINUM
MARK 48530-0DA10,TIRE & DISC WHEEL-195/50R16 ALL SEASON TIRE ALUMI MACHINED
MARK 48530-0DA10,TIRE & DISC WHEEL-P195/50R16, 6J
MARK 48530-0DA11,TIRE & DISC WHEEL-P195/50R16, 6J
MARK 48530-0DA11
MARK 48530-0DA40
MARK 48530-0DA41
48540ABSORBER ASSY, SHOCK, REAR LH
MARK 48530-0D820
MARK 48530-0DA10,TIRE & DISC WHEEL-P195/50R16 ALL SEASON TIRE 6J ALUMINUM
MARK 48530-0DA10,TIRE & DISC WHEEL-195/50R16 ALL SEASON TIRE ALUMI MACHINED
MARK 48530-0DA10
MARK 48530-0DA10,TIRE & DISC WHEEL-P195/50R16, 6J
MARK 48530-0DA11,TIRE & DISC WHEEL-P195/50R16, 6J
MARK 48530-0DA11
MARK 48530-0DA40
MARK 48530-0DA41
48597ARETAINER, REAR SHOCK ABSORBER CUSHION
48725FBUSH, REAR AXLE CARRIER, RH
48725GBUSH, REAR AXLE CARRIER, LH
48750HSUPPORT ASSY, REAR SUSPENSION, RH
48752ASTOPPER, REAR SUSPENSION SUPPORT
48755SUPPORT, REAR SUSPENSION
48760BSUPPORT ASSY REAR SUSPENSION, LH
9011912385
main90119-12385
90119W0124
main90119-W0124
90119W0146
main90119-W0146
9017810022
main90178-10022
91673G1065
main91673-G1065
9413061000
main94130-61000
22 parts on this diagram · 2 diagrams in section