E
EPC Data

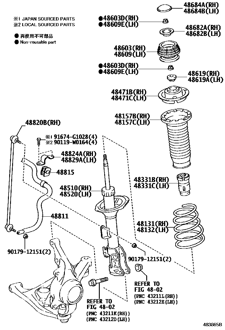
FRONT SPRING & SHOCK ABSORBER

Parts diagram
4802
48131SPRING, FRONT COIL, RH
main48131-52G50i201305-201407
main48131-52G51i201703-201801
main48131-52G52i201802-201907
main48131-0D681i201407-201607
MEXICO SPEC&TIRE & DISC WHEEL-185/60R15 5.5J STEEL ROUGH ROAD SPEC
48132SPRING, FRONT COIL, LH
main48131-52G50i201305-201407
main48131-52G51i201703-201801
main48131-52G52i201802-201907
main48131-0D681i201407-201607
MEXICO SPEC&TIRE & DISC WHEEL-185/60R15 5.5J STEEL ROUGH ROAD SPEC
48157BINSULATOR, FRONT COIL SPRING, UPPER RH
main48157-0D050i201305-201407
main48157-0D090i201407-201703
48157CINSULATOR, FRONT COIL SPRING, UPPER LH
main48157-0D050i201305-201407
main48157-0D090i201407-201703
48331BBUMPER, FRONT SPRING, RH
main48331-0D150i201305-201407
main48331-0D030i201407-201607
MEXICO SPEC&TIRE & DISC WHEEL-185/60R15 5.5J STEEL ROUGH ROAD SPEC
48331CBUMPER, FRONT SPRING, LH
main48331-0D150i201305-201407
main48331-0D030i201407-201607
MEXICO SPEC&TIRE & DISC WHEEL-185/60R15 5.5J STEEL ROUGH ROAD SPEC
48471BSEAT, FRONT COIL SPRING, UPPER RH
main48471-0D140i201703-201907
main48471-52030i201305-201307
48471CSEAT, FRONT COIL SPRING, UPPER LH
main48471-0D140i201407-201703
main48471-52030i201305-201307
48510ABSORBER ASSY, SHOCK, FRONT RH
main48510-0D770i201305-201407
MARK 48510-0D770
main48510-0D880i201407-201703
MARK 48510-0D880,TIRE & DISC WHEEL-195/50R16 ALL SEASON TIRE ALUMI MACHINED
main48510-0D881i201706-201907
MARK 48510-0D881
main48510-0DA20i201407-201703
MARK 48510-0DA20
main48510-0DA21i201706-201907
MARK 48510-0DA21
main48510-0DA30i201407-201505
MARK 48510-0DA30,TIRE & DISC WHEEL-185/60R15 5.5J STEEL ROUGH ROAD SPEC
48520ABSORBER ASSY, SHOCK, FRONT LH
main48520-0D220i201305-201407
MARK 48520-0D220
main48520-0D290i201407-201703
MARK 48520-0D290
main48520-0D291i201706-201907
MARK 48520-0D290
main48520-0D330i201703-201705
MARK 48520-0D330
main48520-0D331i201706-201907
MARK 48520-0D331
main48520-0D340i201505-201607
MARK 48520-0D340,MEXICO SPEC&TIRE & DISC WHEEL-185/60R15 5.5J STEEL ROUGH ROAD SPEC
48603SUPPORT SUB-ASSY, FRONT SUSPENSION, RH
main48609-0D040i201305-201407
main48609-0D041i201407-201703
48603DNUT(FOR FRONT SUPPORT TO FRONT SHOCK ABSORBER RH)
main90178-W0015×2i201703-201907
(L)
main90179-12145×2i201305-201407
(J)
48609SUPPORT SUB-ASSY, FRONT SUSPENSION, LH
main48609-0D040i201305-201407
main48609-0D041i201407-201703
48609ENUT(FOR FRONT SUPPORT TO FRONT SHOCK ABSORBER LH)
main90178-W0015×2i201305-201407
(L)
main90179-12145×2i201305-201407
(J)
48619BEARING, STRUT MOUNTING, RH
main48619-0D011i201407-201501
main48619-0D031i201501-201502
main48619-52040i201305-201407
48619ABEARING, STRUT MOUNTING, LH
main48619-0D011i201407-201501
main48619-0D031i201501-201502
main48619-52040i201305-201407
48682ASUPPORT, FRONT SUSPENSION, NO.2 RH
main48682-0D021i201305-201407
48682BSUPPORT, FRONT SUSPENSION, NO.2 LH
main48682-0D021i201305-201407
48684ACOVER, FRONT SUSPENSION SUPPORT DUST, RH
main48684-52020i201407-201703
48684BCOVER, FRONT SUSPENSION SUPPORT DUST, LH
main48684-52020i201407-201703
48811BAR, STABILIZER, FRONT
main48811-0D150i201305-201407
48815BUSH, FRONT STABILIZER BAR, NO.1
main48815-0D100×2i201407-201703
48820BLINK ASSY, FRONT STABILIZER, RH
main48820-0D010i201305-201407
main48820-52040i201407-201703
48824ABRACKET, FRONT STABILIZER, NO.1 RH
main48824-52060i201407-201703
48829ABRACKET, FRONT STABILIZER, NO.1 LH
main48824-52060i201407-201703
90119W0164
9017912151
91674G1028

29 parts on this diagram · 2 diagrams in section

FRONT SPRING & SHOCK ABSORBER — Toyota Parts Diagram with OEM Numbers & Prices | EPC Data