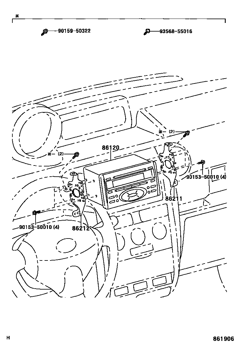
RADIO RECEIVER & AMPLIFIER & CONDENSER

86120RECEIVER ASSY, RADIO
PIONEER,ID=T1801
PIONEER,ID=T1802,W(CD AUTO CHANGER)
W(CD AUTO CHANGER)
86211BRACKET, RADIO, NO.1
86212BRACKET, RADIO, NO.2
9015350010
main90153-50010
9015950322
main90159-50322
9356855016
main93568-55016
6 parts on this diagram · 2 diagrams in section