E
EPC Data

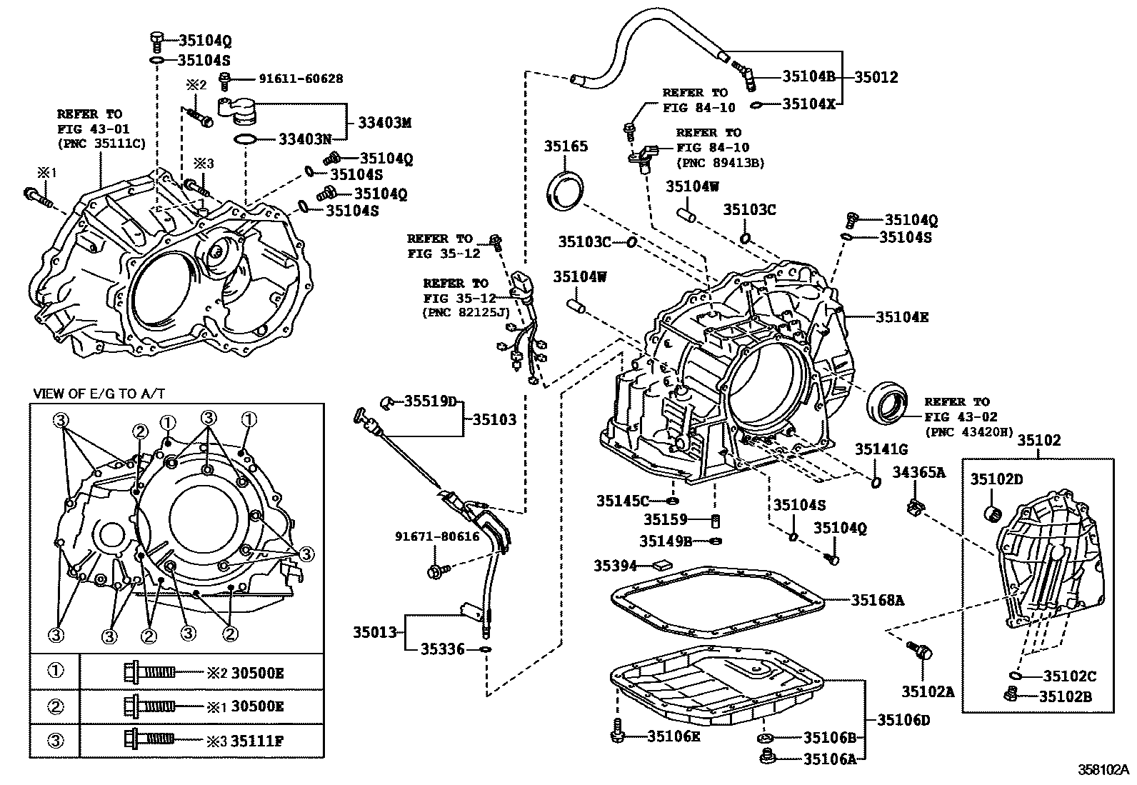
TRANSMISSION CASE & OIL PAN (ATM)

Parts diagram
30500EBOLT(FOR TRANSAXLE & ENGINE SETTING)
main91612-61045×7i201108-201407
*10-1.25PX45-30
33403MCOVER SUB-ASSY, SPEEDOMETER DRIVEN HOLE (ATM)
main33403-20230i201108-201407
33403NRING, O (FOR ATM SPEEDOMETER DRIVEN HOLE COVER)
main96711-24018i201108
34365ARETAINER, OUTER RACE
main34365-52012i201108
35012HOSE SUB-ASSY, TRANSMISSION BREATHER
main35012-12010i201108
35013TUBE SUB-ASSY, TRANSMISSION OIL FILLER
main35013-52160i201108
35102COVER SUB-ASSY, TRANSAXLE REAR
main35102-52020i201108
35102ABOLT (FOR TRANSAXLE REAR COVER SETTING)
main90105-08365×11i201108
*8-1.25PX28-20
35102BPLUG(FOR TRANSAXLE REAR COVER)
main90341-08001×4i201108
35102CRING, O(FOR TRANSAXLE REAR COVER PULG)
main90301-06196×4i201108
35102DBEARING, NEEDLE ROLLER(FOR TRANSAXLE REAR COVER)
main90364-14007i201108
35103GAGE SUB-ASSY, TRANSMISSION OIL LEVEL
main35103-52160i201108
35103CRING, O
main90301-06008×2i201108-201307
main90301-06024×2i201307
35104BPLUG, BREATHER, NO.1 (ATM)
main90930-03166i201108
35104ECASE SUB-ASSY, AUTOMATIC TRANSAXLE
main35104-52032i201108
35104QPLUG, NO.1 (FOR TRANSAXLE CASE)
main90341-08001×5i201108
35104SRING, O (FOR TRANSAXLE CASE PLUG NO.1)
main90301-06196×5i201108
35104WPIN, STRAIGHT (FOR TRANSAXLE CASE)
main90250-10017×2i201108
35104XRING, O (FOR BREATHER PLUG)
main90301-06005i201108-201307
main90301-06021i201307
35106APLUG SUB-ASSY, DRAIN (ATM)
main90341-18016i201108
35106BGASKET, DRAIN PLUG (ATM)
main90430-18008i201108
35106DPAN SUB-ASSY, AUTOMATIC TRANSAXLE OIL
main35106-52020i201108
35106EBOLT (FOR TRANSAXLE OIL PAN)
main90119-06173×19i201108
35111FBOLT (FOR TRANSAXLE HOUSING & TRANSAXLE CASE SETTING)
main90105-08071×14i201108-201407
*8-1.25PX30-25
3512
35141GRING, O (FOR AUTOMATIC TRANSMISSION CASE)
main90301-10018×4i201307
main90301-10189×4i201108-201307
35145CGASKET, TRANSAXLE CASE
main35145-21010i201108
35149BGASKET, TRANSAXLE CASE 2ND BRAKE
main35149-21010i201108
35159GASKET, BRAKE DRUM
main35159-21010i201108
35165PLATE, TRANSMISSION CASE, NO.1
main35165-52030i201108
35168AGASKET, AUTOMATIC TRANSAXLE OIL PAN
main35168-52020i201108
35336RING, O (FOR TRANSMISSION OIL FILLER TUBE)
main90301-09173i201108
35394MAGNET, OIL CLEANER (FOR TRANSMISSION)
main35394-30011×2i201108
35519DLABEL, AUTOMATIC TRANSMISSION INFORMATION
main35519-41010i201108
4301
4302
8410
9161160628
9167180616

39 parts on this diagram · 1 diagram in section

TRANSMISSION CASE & OIL PAN (ATM) — Toyota Parts Diagram with OEM Numbers & Prices | EPC Data