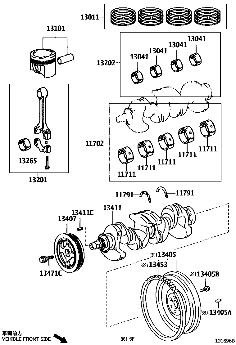
CRANKSHAFT & PISTON

11702BEARING SET, CRANKSHAFT
U/S 0.25
U/S 0.25
11711BEARING, CRANKSHAFT
MARK 1,REFER REPAIR MANUAL
MARK 2,REFER REPAIR MANUAL
MAKR 3,REFER REPAIR MANUAL
MARK 4,REFER REPAIR MANUAL
MARK 1,REFER REPAIR MANUAL
MARK 2,REFER REPAIR MANUAL
MARK 3,REFER REPAIR MANUAL
MARK 4,REFER REPAIR MANUAL
11791WASHER, CRANKSHAFT THRUST, UPPER
STD
STD
O/S 0.125
O/S 0.125
O/S 0.25
O/S 0.25
13011RING SET, PISTON
STD
13041BEARING, CONNECTING ROD
MARK 1,REFER REPAIR MANUAL
MARK 2,REFER REPAIR MANUAL
MARK 3,REFER REPAIR MANUAL
13101PISTON SUB-ASSY, W/PIN
STD
13202BEARING SET, CONNECTING ROD
U/S 0.25
13265BOLT, CONNECTING ROD
13405FLYWHEEL SUB-ASSY
13405APIN, STRAIGHT(FOR FLYWHEEL)
L=18,OD=8
13405BBOLT, FLYWHEEL SETTING
13411CRANKSHAFT
13411CPIN, STRAIGHT(FOR CRANKSHAFT)
sub90250-03095
13453GEAR, FLYWHEEL RING
13471CBOLT(FOR CRANKSHAFT PULLEY SET)
17 parts on this diagram · 1 diagram in section