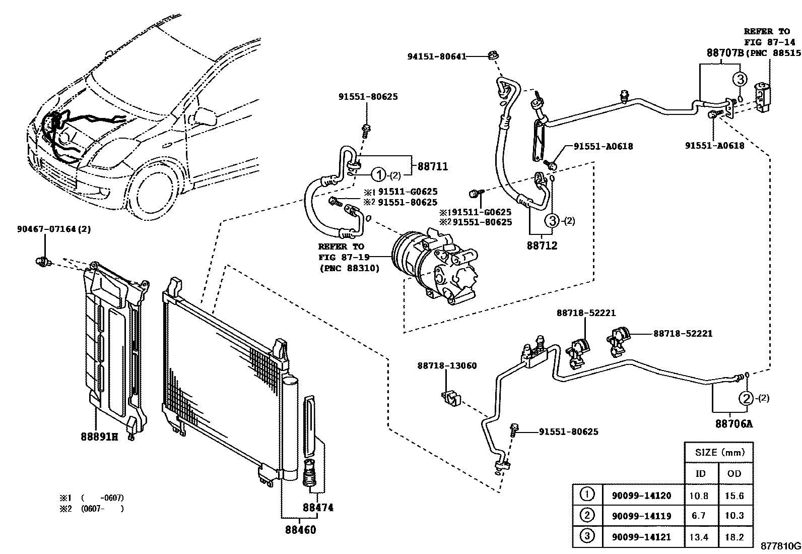
HEATING & AIR CONDITIONING - COOLER PIPING

8714HEATING & AIR CONDITIONING - COOLER UNIT
8719HEATING & AIR CONDITIONING - COMPRESSOR
88460CONDENSER ASSY, COOLER
AIR CONDITIONER-DEALER KIT; AIR CONDITIONER-MANUAL(B/RESI COMP/VARI)
AIR CONDITIONER-DEALER KIT; AIR CONDITIONER-MANUAL(B/RESI COMP/VARI)
88474DRYER, COOLER
AIR CONDITIONER-DEALER KIT
AIR CONDITIONER-MANUAL(B/RESI COMP/VARI)
88706ATUBE SUB-ASSY, LIQUID, A
AIR CONDITIONER-MANUAL(B/RESI COMP/VARI)
AIR CONDITIONER-DEALER KIT
88707BTUBE SUB-ASSY, SUCTION, B
AIR CONDITIONER-DEALER KIT; AIR CONDITIONER-MANUAL(B/RESI COMP/VARI)
88711HOSE, COOLER REFRIGERANT DISCHARGE, NO.1
AIR CONDITIONER-DEALER KIT; AIR CONDITIONER-WITHOUT(UNIT(W/H ONLY))
88712HOSE, COOLER REFRIGERANT SUCTION, NO.1
AIR CONDITIONER-DEALER KIT; AIR CONDITIONER-MANUAL(B/RESI COMP/VARI)
88891HCOVER, COOLER, NO.1
AIR CONDITIONER-MANUAL(B/RESI COMP/VARI); COLD SPEC; COLD SPEC&AIR CONDITIONER-MANUAL(B/RESI COMP/VARI)
AIR CONDITIONER-MANUAL(B/RESI COMP/VARI); COLD SPEC; COLD SPEC&AIR CONDITIONER-MANUAL(B/RESI COMP/VARI)
8871813060PIPE, COOLER REFRIGERANT SUCTION, NO.2
main88718-13060
8871852221PIPE, COOLER REFRIGERANT SUCTION, NO.2
main88718-52221
9009914119
main90099-14119
9009914120
main90099-14120
9009914121
main90099-14121
9046707164
main90467-07164
91511G0625
main91511-G0625
9155180625
main91551-80625
91551A0618
main91551-A0618
9415180641
main94151-80641
19 parts on this diagram · 3 diagrams in section