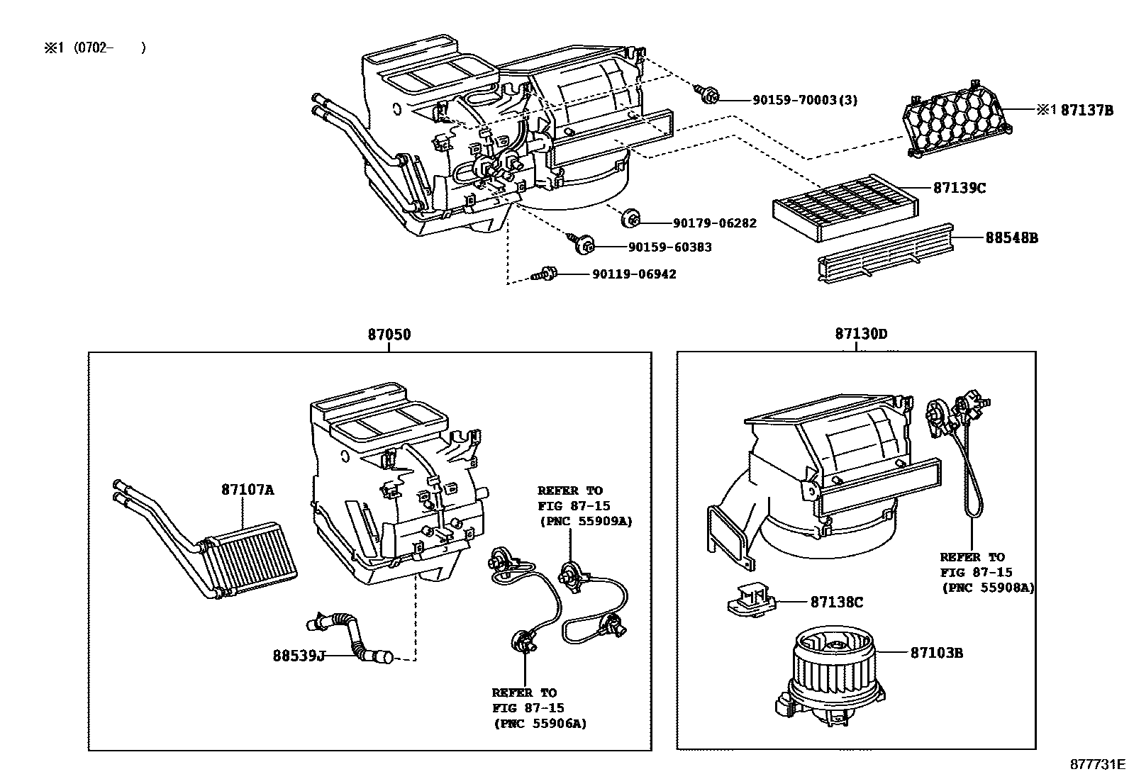
HEATING & AIR CONDITIONING - COOLER UNIT

87050RADIATOR ASSY, AIR CONDITIONER
AIR CONDITIONER-MANUAL(B/RESI COMP/VARI); MEXICO SPEC&AIR CONDITIONER-MANUAL(B/RESI COMP/VARI)
AIR CONDITIONER-MANUAL(B/RESI COMP/VARI); MEXICO SPEC&AIR CONDITIONER-MANUAL(B/RESI COMP/VARI)
MEXICO SPEC
AIR CONDITIONER-MANUAL(B/RESI COMP/VARI); COLD SPEC&AIR CONDITIONER-MANUAL(B/RESI COMP/VARI)
AIR CONDITIONER-MANUAL(B/RESI COMP/VARI); COLD SPEC&AIR CONDITIONER-MANUAL(B/RESI COMP/VARI)
COLD SPEC
COLD SPEC
87103BMOTOR SUB-ASSY, BLOWER W/FAN
87107AUNIT SUB-ASSY, HEATER RADIATOR
87130DBLOWER ASSY
AIR CONDITIONER-MANUAL(B/RESI COMP/VARI); MEXICO SPEC&AIR CONDITIONER-MANUAL(B/RESI COMP/VARI)
AIR CONDITIONER-MANUAL(B/RESI COMP/VARI); MEXICO SPEC&AIR CONDITIONER-MANUAL(B/RESI COMP/VARI)
main87130-52072supersedes 87130-52122iNCP91..3D..5F..RS;NCP91..5D..STD..CND; NCP91..USA200808-201002
AIR CONDITIONER-MANUAL(B/RESI COMP/VARI); MEXICO SPEC&AIR CONDITIONER-MANUAL(B/RESI COMP/VARI)
AIR CONDITIONER-MANUAL(B/RESI COMP/VARI); COLD SPEC&AIR CONDITIONER-MANUAL(B/RESI COMP/VARI)
AIR CONDITIONER-MANUAL(B/RESI COMP/VARI); COLD SPEC&AIR CONDITIONER-MANUAL(B/RESI COMP/VARI)
AIR CONDITIONER-MANUAL(B/RESI COMP/VARI); COLD SPEC&AIR CONDITIONER-MANUAL(B/RESI COMP/VARI)
COLD SPEC
COLD SPEC
AIR CONDITIONER-DEALER KIT; AIR CONDITIONER-WITHOUT(UNIT(W/H ONLY))
87137BCOVER, HEATER BLOWER
87138CRESISTOR, BLOWER
87139CFILTER, CLEAN AIR
DEODORANT FILTER; PUERTO RICO SPEC,DEODORANT FILTER
MICRO DUST FILTER; PUERTO RICO SPEC,MICRO DUST FILTER
8715HEATING & AIR CONDITIONING - CONTROL & AIR DUCT
88548BCASE, AIR FILTER
9011906942
main90119-06942
9015960383
main90159-60383
9015970003
main90159-70003
9017906282
main90179-06282
14 parts on this diagram · 4 diagrams in section