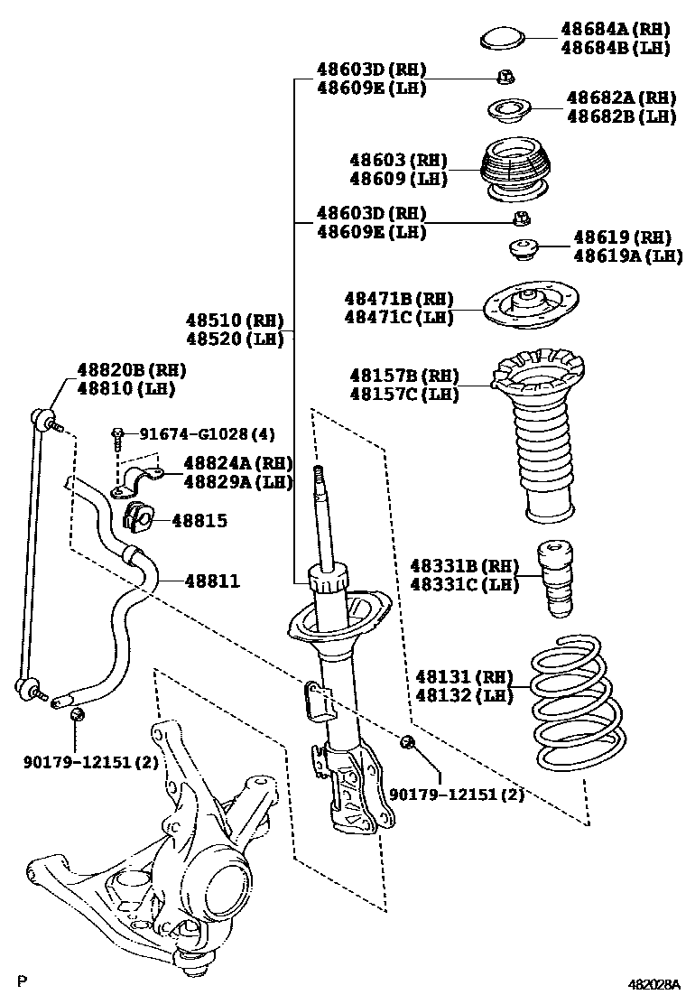
FRONT SPRING & SHOCK ABSORBER

48131SPRING, FRONT COIL, RH
sub48131-52A51
sub48131-52E11
MEXICO SPEC&TIRE & DISK WHEEL-185/60R15 5.5J BLACK ROUGH ROAD SPEC.
MEXICO SPEC&TIRE & DISK WHEEL-185/60R15 5.5J BLACK ROUGH ROAD SPEC.
sub48131-52B01
48132SPRING, FRONT COIL, LH
sub48131-52A51
sub48131-52E11
MEXICO SPEC&TIRE & DISK WHEEL-185/60R15 5.5J BLACK ROUGH ROAD SPEC.
MEXICO SPEC&TIRE & DISK WHEEL-185/60R15 5.5J ALUMINUM ROUGH ROAD SPEC.
sub48131-52B01
48157BINSULATOR, FRONT COIL SPRING, UPPER RH
48157CINSULATOR, FRONT COIL SPRING, UPPER LH
48331BBUMPER, FRONT SPRING, RH
48331CBUMPER, FRONT SPRING, LH
48471BSEAT, FRONT COIL SPRING, UPPER RH
48471CSEAT, FRONT COIL SPRING, UPPER LH
48510ABSORBER ASSY, SHOCK, FRONT RH
MARK 48510-52B30
MARK 48510-52821
MARK 48510-52F00
MARK 48510-52A00,MEXICO SPEC
48520ABSORBER ASSY, SHOCK, FRONT LH
MARK 48520-52070
MARK 48520-52021
MARK 48520-52040,MEXICO SPEC
sub48520-52141
48603SUPPORT SUB-ASSY, FRONT SUSPENSION, RH
48603DNUT(FOR FRONT SUPPORT TO FRONT SHOCK ABSORBER RH)
48609SUPPORT SUB-ASSY, FRONT SUSPENSION, LH
48609ENUT(FOR FRONT SUPPORT TO FRONT SHOCK ABSORBER LH)
48619BEARING, STRUT MOUNTING, RH
48619ABEARING, STRUT MOUNTING, LH
48682ASUPPORT, FRONT SUSPENSION, NO.2 RH
48682BSUPPORT, FRONT SUSPENSION, NO.2 LH
48684ACOVER, FRONT SUSPENSION SUPPORT DUST, RH
48684BCOVER, FRONT SUSPENSION SUPPORT DUST, LH
48810LINK ASSY, FRONT STABILIZER, LH
48811BAR, STABILIZER, FRONT
48815BUSH, FRONT STABILIZER BAR, NO.1
48820BLINK ASSY, FRONT STABILIZER, RH
48824ABRACKET, FRONT STABILIZER, NO.1 RH
48829ABRACKET, FRONT STABILIZER, NO.1 LH
9017912151
main90179-12151
91674G1028
main91674-G1028
28 parts on this diagram · 1 diagram in section