E
EPC Data

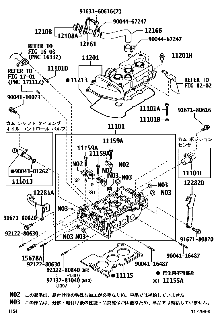
CYLINDER HEAD

Parts diagram
11101HEAD SUB-ASSY, CYLINDER
main11101-B2071i201112-201307
main11101-B2072i201307-201407
11101ABOLT(FOR CYLINDER HEAD SET)
main90041-09258×8i201112-201409
11101BWASHER, PLATE(FOR CYLINDER HEAD SET)
main90042-01637×8i201112-201409
11101DBOLT, STUD(FOR WATER OUTLET)
main90041-26001×2i201112-201407
11101ESENSOR, CAM POSITION
main19311-B2011i201112-201407
11101JVALVE ASSY, CAMSHAFT TIMING OIL CONTROL
main15330-B2030i201112-201409
11115GASKET, CYLINDER HEAD
main11115-B2033i201112-201307
main11115-B2034i201307-201409
11155APIN, RING W/HEAD
main90042-53010×2i201112-201409
11159ABOLT(FOR HEAD TO CAMSHAFT BEARING CAP)
main90041-19911×16i201112-201409
11201COVER SUB-ASSY, CYLINDER HEAD
main11201-B2110i201112-201307
main11201-B2111i201307-201407
11201HBOLT(FOR CYLINDER HEAD COVER)
main91551-80620×10i201112-201409
11213GASKET, CYLINDER HEAD COVER
main11213-B2050i201112-201409
12108CAP SUB-ASSY, OIL FILLER
main12180-97201i201112-201409
12108AGASKET(FOR OIL FILLER CAP)
main12195-87206i201112-201409
12161TUBE, OIL FILLER
main12161-97501i201112-201409
12166HOSE, OIL FILLER
main12166-97201i201112-201409
12281AHANGER, ENGINE, NO.1
main12281-B2020i201112-201409
12282DHANGER, ENGINE, NO.2
main12282-B2040i201112-201409
15678AFILTER, OIL CONTROL VALVE
main15678-B2010i201112-201407
1603RADIATOR & WATER OUTLET
8202WIRING & CLAMP
9004110073
9004116487
9004301262
9004467247
9163160616
9167180616
9167180820
9212280630
9212280840
9213281040

32 parts on this diagram · 1 diagram in section

CYLINDER HEAD — Toyota Parts Diagram with OEM Numbers & Prices | EPC Data