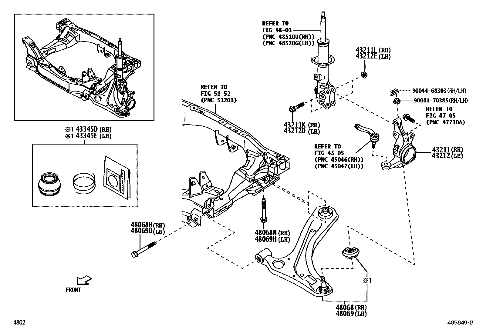
FRONT AXLE ARM & STEERING KNUCKLE

43211KNUCKLE, STEERING, RH
43211KBOLT (FOR STEERING KNUCKLE RH)
43211LNUT (FOR STEERING KNUCKLE RH)
43212KNUCKLE, STEERING, LH
43212DBOLT (FOR STEERING KNUCKLE LH)
43212ENUT (FOR STEERING KNUCKLE LH)
43345DCOVER, LOWER BALL JOINT DUST, RH
43345ECOVER, LOWER BALL JOINT DUST, LH
4505FRONT STEERING GEAR & LINK
4705FRONT DISC BRAKE CALIPER & DUST COVER
4803FRONT SPRING & SHOCK ABSORBER
48068ARM SUB-ASSY, FRONT SUSPENSION, LOWER NO.1 RH
48068HBOLT(FOR FRONT SUSPENSION LOWER ARM NO.1 RH)
48068MBOLT(FOR FRONT SUSPENSION LOWER ARM NO.2 RH)
48069ARM SUB-ASSY, FRONT SUSPENSION, LOWER NO.1 LH
48069DBOLT(FOR FRONT SUSPENSION LOWER ARM NO.1 LH)
48069HBOLT(FOR FRONT SUSPENSION LOWER ARM NO.2 LH)
5152SUSPENSION CROSSMEMBER & UNDER COVER
9004170385
main90041-70385
9004468303
main90044-68303
20 parts on this diagram · 1 diagram in section