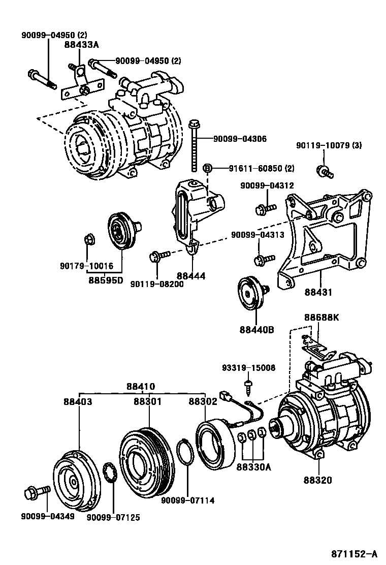
HEATING & AIR CONDITIONING - COMPRESSOR

88302STATOR SUB-ASSY, MAGNET CLUTCH
88330AWASHER (FOR MAGNET CLUTCH)
88431BRACKET, COMPRESSOR MOUNTING, NO.1
88433ASTAY, COMPRESSOR
88440BPULLEY ASSY, IDLE
88444BRACKET, IDLE PULLEY
88595DPULLEY ASSY, IDLE
9009904306
main90099-04306
9009904312
main90099-04312
9009904313
main90099-04313
9009904349
main90099-04349
9009904950
main90099-04950
9009907114
main90099-07114
9009907125
main90099-07125
9011908200
main90119-08200
9011910079
main90119-10079
9017910016
main90179-10016
9161160850
main91611-60850
9331915008
main93319-15008
24 parts on this diagram · 2 diagrams in section