E
EPC Data

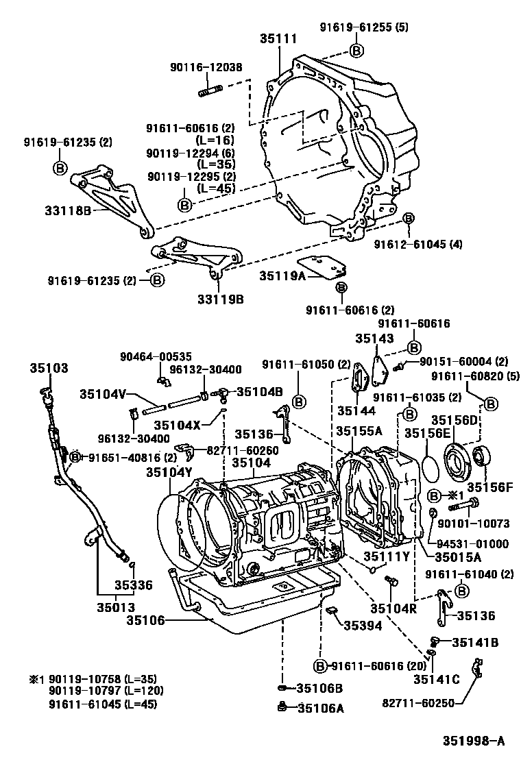
TRANSMISSION CASE & OIL PAN (ATM)

Parts diagram
33118BPLATE, STIFFENER, RH(ATM)
main33118-36021i199601
33119BPLATE, STIFFENER, LH(ATM)
main33119-36042i199601
35013TUBE SUB-ASSY, TRANSMISSION OIL FILLER
main35013-65020i199601-199906
main35013-65030i199906
35015AADAPTER SUB-ASSY, TRANSMISSION CASE, REAR
main35015-36010i199906-200110
main35015-65020i199601-199906
35103GAGE SUB-ASSY, TRANSMISSION OIL LEVEL
main35103-65020i199601-199906
main35103-65030i199906
35104CASE SUB-ASSY, AUTOMATIC TRANSMISSION
main35104-36080i199906-200110
main35104-65020i199601-199906
35104BPLUG, BREATHER, NO.1 (ATM)
main90930-03094i199601-200110
35104RPLUG, NO.2 (FOR TRANSAXLE CASE)
main90341-08001×7i199601-200110
35104VHOSE (FOR BREATHER PLUG)
main90445-11083i199601-200110
35104XRING, O (FOR BREATHER PLUG)
main90301-06005i199601-200110
35104YRING, O (FOR AUTOMATIC TRANSMISSION CASE)
main90301-99067i199601-200110
35106PAN SUB-ASSY, AUTOMATIC TRANSMISSION OIL
main35106-65010i199601-200110
35106APLUG SUB-ASSY, DRAIN (ATM)
main90341-18057i199601-200110
35106BGASKET, DRAIN PLUG (ATM)
main12157-10010i199601-200110
35111HOUSING, AUTOMATIC TRANSMISSION
main35111-65010i199601-200110
35111YRING, O (FOR AUTOMATIC TRANSMISSION CASE)
main90301-06196×7i199601-200110
35119ACOVER, TRANSMISSION HOUSING
main35119-36010i199601-200110
35136HANGER, TRANSMISSION,NO.1
main35136-60020×2i199601-200110
35141BPLUG (FOR AUTOMATIC TRANSMISSION CASE)
main90341-13001i199906-200110
main90341-16010i199601-199906
35141CWASHER, PLATE (FOR AUTOMATIC TRANSMISSION CASE)
main90201-16013i199601-199906
35143COVER, TRANSMISSION CASE, REAR
main35143-36011i199601-199906
35144GASKET, TRANSMISSION CASE REAR COVER
main35144-60011i199601-199906
35155AGASKET, TRANSMISSION CASE ADAPTER
main35182-60010i199601-200110
35156DCOVER, TRANSMISSION CASE REAR ADAPTER
main35156-60010i199601-200110
35156ERING, O(FOR TRANSMISSION CASE REAR ADAPTER COVER)
main90301-81005i199601-200110
35156FSEAL, OIL(FOR TRANSMISSION CASE REAR ADAPTER COVER)
main90311-48016i199601-200110
35336RING, O (FOR TRANSMISSION OIL FILLER TUBE)
main90301-09173i199601
35394MAGNET, OIL CLEANER (FOR TRANSMISSION)
main35394-30011×2i199601-199906
8271160250WIRE, FUSE TO FUSE(FOR COMBUSTION HEATER)
8271160260WIRE, FUSE TO FUSE(FOR COMBUSTION HEATER)
9010110073
9011612038
9011910758
9011910797
9011912294
9011912295
9015160004
9046400535
9161160616
9161160820
9161161035
9161161040
9161161045
9161161050
9161261045
9161961235
9161961255
9165140816
9453101000
9613230400

50 parts on this diagram · 2 diagrams in section

TRANSMISSION CASE & OIL PAN (ATM) — Toyota Parts Diagram with OEM Numbers & Prices | EPC Data