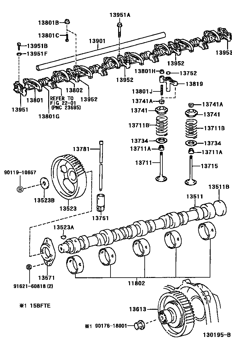
CAMSHAFT & VALVE

11802BEARING SET, CAMSHAFT
13511BPLUG, EXPANSION(FOR CAMSHAFT)
13523GEAR OR SPROCKET, CAMSHAFT TIMING
13523AKEY, WOODRUFF(FOR TIMING GEAR)
13523BWASHER, PLATE(FOR TIMING GEAR)
13571PLATE, CAMSHAFT THRUST
13613GEAR, INJECTION PUMP DRIVE
13711VALVE, INTAKE
13711ASEAL OR RING, O(FOR VALVE STEM OIL)
13711BSPRING, COMPRESSION(FOR INNER)
13715VALVE, EXHAUST
13734SEAT, VALVE SPRING
13741RETAINER, VALVE SPRING
13741ALOCK, VALVE SPRING RETAINER
13752PAD, VALVE LIFTER
13781ROD, VALVE PUSH
13801ARM SUB-ASSY, VALVE ROCKER, NO.1
13801BNUT, HEXAGON(FOR VALVE ADJUSTING)
13801CSCREW, VALVE ADJUSTING
13801GWASHER, PLATE(FOR VALVE ROCKER ARM)
13801HNUT
13801JSCREW, VALVE ADJUSTING
13802ARM SUB-ASSY, VALVE ROCKER, NO.2
13819BRIDGE, VALVE
13901SHAFT SUB-ASSY, VALVE ROCKER, NO.1
13951SUPPORT, VALVE ROCKER, NO.1
13951ABOLT(FOR ROCKER SUPPORT SET)
13951BSCREW OR BOLT(FOR VALVE ROCKER SHAFT LOCK)
13951FWASHER, PLATE(FOR VALVE ROCKER SUPPORT)
13952SUPPORT, VALVE ROCKER, NO.2
13953SUPPORT, VALVE ROCKER, NO.3
2201INJECTION NOZZLE
9011910657
main90119-10657
9017618001
main90176-18001
9162160818
main91621-60818
37 parts on this diagram · 1 diagram in section