E
EPC Data

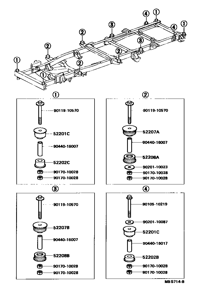
CAB MOUNTING & BODY MOUNTING

Parts diagram
52201CCUSHIION SUB-ASSY, CAB MOUNTING, NO.1 UPPER
main52201-35021×6i198907-199511
52202BCUSHIION SUB-ASSY, CAB MOUNTING, NO.1 LOWER
main52202-27040×2i198907-199511
52202CCUSHION SUB-ASSY, CAB FRONT MOUNTING, LOWER
main52202-35021×4i198907-199511
52207ACUSHION SUB-ASSY, CAB MOUNTING, NO.4 UPPER
main52207-35010×4i198907-199511
52207BCUSHION SUB-ASSY, CAB MOUNTING, REAR
main52207-35010×2i198907-199511
52208ACUSHION SUB-ASSY, CAB MOUNTING, NO.4 LOWER
main52208-35010×4i198907-199511
52208BCUSHION SUB-ASSY, CAB MOUNTING, REAR
main52208-35010×2i198907-199511
9010510219
9011910570
9017010028
9020110023
9020110087
9044016007
9044016017

14 parts on this diagram · 1 diagram in section

CAB MOUNTING & BODY MOUNTING — Toyota Parts Diagram with OEM Numbers & Prices | EPC Data