E
EPC Data

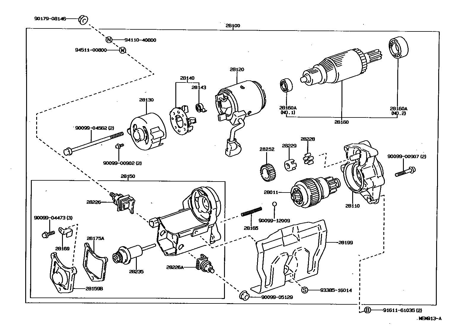
STARTER

Parts diagram
28011CLUTCH SUB-ASSY, STARTER
main28011-26042i198907-199511
main28011-64010i199105-199409
main28011-64020i199105-199409
28100STARTER ASSY
main28100-13010i198907-199511
main28100-64020i199105-199409
main28100-64040i199105-199409
main28100-64100i199105-199409
28110HOUSING ASSY, STARTER DRIVE
main28110-13010i198907-199511
main28110-64070i199105-199409
main28115-64020i199105-199409
main28115-64040i199105-199409
28120YOKE ASSY, STARTER
main28120-15090i199105-199409
main28120-26071i198907-199511
main28120-64020i199105-199409
main28120-64040i199105-199409
28130FRAME ASSY, STARTER COMMUTATOR END
main28130-13010i198907-199511
main28130-64110i199105-199409
28140HOLDER ASSY, STARTER BRUSH
main28140-15090i199105-199409
main28140-26070i198907-199511
main28140-54070i199105-199409
main28140-64040i199105-199409
28143SPRING, STARTER BRUSH
main90099-17112×4i198907-199511
main90099-17115×4i199105-199409
28150SWITCH ASSY, MAGNET STARTER
main28150-13011i198907-199511
main28150-64020i199105-199409
main28150-64041i199105-199409
main28150-64101i199105-199409
28159BCOVER, MAGNET SWITCH
main28159-10040i198907-199511
28160ARMATURE ASSY, STARTER
main28160-15091i199105-199409
main28160-26070i198907-198908
main28160-26071i198908-199511
main28160-54071i199105-199409
main28160-64041i199105-199409
28160ABEARING, STARTER ARMATURE
main28253-45020i198907-199511
main28253-54070i199105-199409
main90099-10113i198907-199511
main90099-10131i199105-199409
main90099-10143i199105-199409
main90099-10144i199105-199409
28165SPRING, STARTER MAGNET SWITCH RETURN
main28165-26040i198907-199511
28169CLAMP, STARTER MOTOR LEAD WIRE
main28169-10040i198907-199511
28175AGASKET, MAGNET SWITCH COVER
main28175-10040i198907-199511
28199COVER, STARTER
main28199-13011i198907-199511
28226STARTER KIT, BATTERY TERMINAL
main28226-64020i199105-199409
main28226-64110i199105-199409
main28226-72080i198907-199511
28226ASTARTER KIT, MOTOR TERMINAL
main28226-72010i198907-199511
28228ROLLER, STARTER IDLE GEAR CLUTCH
main28228-26040×5i198907-199511
28229RETAINER, STARTER IDLE GEAR
main28229-26040i198907-199511
28235PLUNGER, MAGNET SWITCH
main28235-35080i198907-199511
28252GEAR, STARTER IDLE
main28254-45020i198907-199511
main28254-54070i199105-199409
main28254-64040i199105-199409
9009900902
9009900907
9009904473
9009904562
9009905129
9009912009
9017908146
9161161035
9338516014
9411040800
9451100800

32 parts on this diagram · 4 diagrams in section

STARTER — Toyota Parts Diagram with OEM Numbers & Prices | EPC Data