E
EPC Data

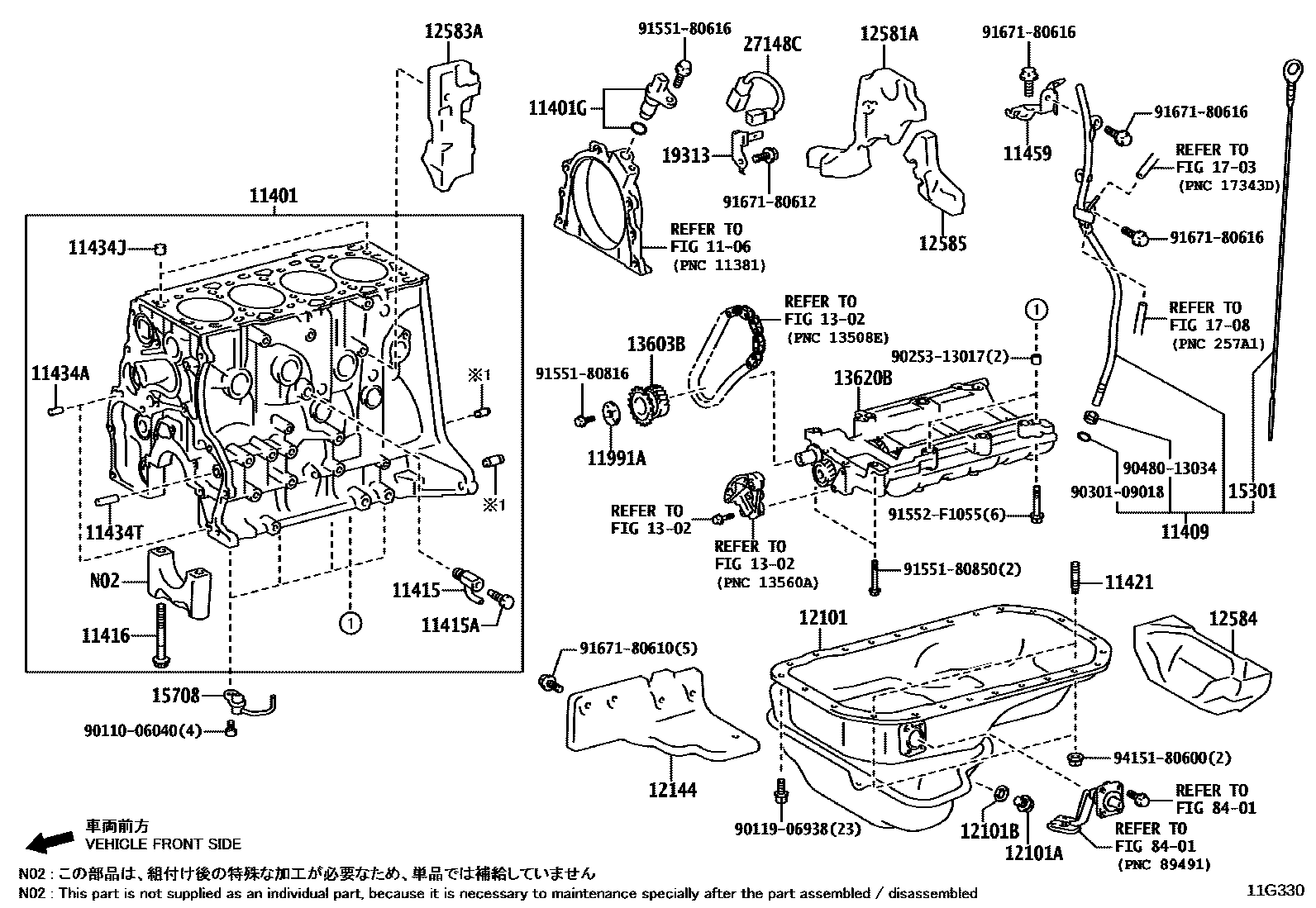
CYLINDER BLOCK

Parts diagram
1106TIMING GEAR COVER & REAR END PLATE
11401BLOCK SUB-ASSY, CYLINDER
main11401-80871i202409-202412
main11401-80A15i202201-202409
main11410-78441i201908
main11410-78442i202310-202312
main11410-78451i201905-201908
main11410-E0E41i201701-201901
main11410-E0E42i201901-201905
11401GSENSOR, CRANK POSITION
main90919-05073i202201-202412
11409GUIDE SUB-ASSY, OIL LEVEL GAGE
main11409-11060i202201-202412
main11409-E0620i201701-202201
11415COCK SUB-ASSY, WATER DRAIN(FOR CYLINDER BLOCK)
main90910-09128i202201-202412
11415APLUG, WATER DRAIN COCK(FOR CYLINDER BLOCK)
main90910-09087i202201-202412
11416BOLT(FOR CRANKSHAFT BEARING CAP SET)
main90910-02191×10i202201-202412
mainS115211410×10i201701
11421BOLT, STUD(FOR OIL PAN)
main90126-06028×2i202201-202412
11434APIN, STRAIGHT(FOR TIMING GEAR COVER SET)
main90250-08120×2i202201-202412
mainSZ25008008×2i201701-202201
11434JPIN, RING (FOR CYLINDER HEAD SET)
main90253-15016×2i202201-202412
11434TPIN, RING(FOR TIMING BELT IDLER BRACKET SET)
main90250-10030i202201-202412
11459SUPPORT, OIL LEVEL GAGE GUIDE
main11459-11010i202201-202412
11991APLATE, BALANCESHAFT THRUST, NO.1
main11991-11010i202201-202412
12101PAN SUB-ASSY, OIL
main12101-11120i202201-202406
main12101-35100i202406-202412
main12101-78170i202201-202302
main12101-E0320i202303-202312
12101APLUG(FOR OIL PAN DRAIN)
main90341-12012i202201-202412
mainSZ34118014i201701-202201
12101BGASKET(FOR OIL PAN DRAIN PLUG)
main90430-12031i202201-202412
mainSZ43018009i201701-202201
12144SILENCER, OIL PAN COVER
main12144-11010i202201-202412
12581AINSULATOR, CYLINDER BLOCK, NO.1
main12581-11020i202201-202412
12583AINSULATOR, CYLINDER BLOCK, NO.3
main12583-11020i202201-202412
12584INSULATOR, CYLINDER BROCK, NO.4
main12584-11010i202201-202412
12585INSULATOR, CYLINDER BROCK, NO.5
main12585-11020i202201-202412
1302CAMSHAFT & VALVE
13603BGEAR SUB-ASSY, BALANCESHAFT
main13603-11010i202201-202412
13620BBALANCER ASSY, ENGINE
main13620-11013i202201-202412
15301GAGE SUB-ASSY, OIL LEVEL
main15301-11120i202201-202412
main15301-E0B90i201701-202201
15708NOZZLE SUB-ASSY, OIL, NO.1
main15708-11010×4i202201-202412
mainS110BE0010×4i202201-202312
1703AIR CLEANER
1708VACUUM PIPING
19313BRACKET, CRANK POSITION SENSOR HARNESS
main19313-11010i202201-202412
27148CWIRE, CONNECTING
main27148-11010i202201-202412
8401SWITCH & RELAY & COMPUTER
9011006040
9011906938
9025313017
9030109018
9048013034
9155180616
9155180816
9155180850
91552F1055
9167180610
9167180612
9167180616
9415180600

44 parts on this diagram · 5 diagrams in section

CYLINDER BLOCK — Toyota Parts Diagram with OEM Numbers & Prices | EPC Data