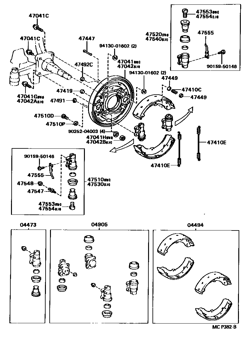
FRONT DRUM BRAKE WHEEL CYLINDER & BACKING PLATE

04473CYLINDER KIT, FRONT WHEEL
04494SHOE KIT, FRONT BRAKE
04905CUP KIT, FRONT WHEEL CYLINDER
47041PLATE SUB-ASSY, BRAKE BACKING, FRONT RH
47041CBOLT(FOR BACKING PLATE TO STEERING KNUCKLE ARM SETTING)
47041GBOLT(FOR BRAKE BACKING PLATE FRONT RH)
*16-1.5PX65-25
*16-1.5PX74-27
47041HNUT(FOR BRAKE BACKING PLATE FRONT RH)
47042PLATE SUB-ASSY, BRAKE BACKING, FRONT LH
47042ABOLT(FOR BRAKE BACKING PLATE FRONT LH)
*16-1.5PX65-25
*16-1.5PX74-27
47042BNUT(FOR BRAKE BACKING PLATE FRONT LH)
47410CSPRING(FOR FRONT BRAKE SHOE HOLD DOWN)
47410ESPRING, TENSION(FOR FRONT BRAKE SHOE RETURN)
47419PLUG, HOLE(FOR FRONT BRAKE)
47447PIN, SHOE HOLD DOWN SPRING(FOR FRONT BRAKE)
47449CUP, SHOE HOLD DOWN SPRING(FOR FRONT BRAKE)
47491PLUG, HOLE(FOR FRONT BRAKE)
47492CPLUG, HOLE(FOR FRONT BRAKE)
47510CYLINDER ASSY, FRONT WHEEL BRAKE, RH(FOR FRONT OR UPPER)
47510DBOLT(FOR FRONT WHEEL CYLINDER)
47510PWASHER(FOR FRONT WHEEL CYLINDER)
47520CYLINDER ASSY, FRONT WHEEL BRAKE, RH(FOR REAR OR LOWER)
47530CYLINDER ASSY, FRONT WHEEL BRAKE, LH(FOR FRONT OR UPPER)
47540CYLINDER ASSY, FRONT WHEEL BRAKE, LH(FOR REAR OR LOWER)
47547PLUG, BLEEDER(FOR FRONT DRUM BRAKE)
47548CAP, BLEEDER PLUG(FOR DRUM BRAKE, FRONT)
47553BOLT, FRONT WHEEL CYLINDER ADJUSTING, RH(FOR FRONT BRAKE)
47554BOLT, FRONT WHEEL CYLINDER ADJUSTING, LH(FOR FRONT BRAKE)
47555SPRING, ADJUSTER LOCK(FOR FRONT BRAKE)
9015950146
main90159-50146
9025204003
main90252-04003
9413001602
main94130-01602
31 parts on this diagram · 1 diagram in section