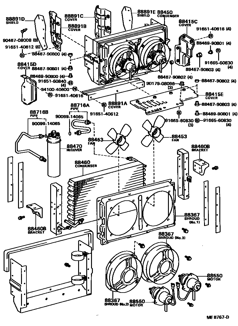
HEATING & AIR CONDITIONING - COOLER PIPING

88367SHROUD, COOLER BLOWER FAN
NO.1
NO.2
NO.3
88415CCOVER, DUST, NO.1
88415DCOVER, DUST, NO.2
88415ECOVER, DUST, NO.3
88450CONDENSER ASSY, W/RECEIVER
88453FAN, COOLING (FOR CONDENSER)
88460CONDENSER ASSY, COOLER
88460BBRACKET, COOLER CONDENSER, NO.1
88470RECEIVER & DRYER ASSY, COOLER
88550MOTOR ASSY, BLOWER (FOR CONDENSER)
88716APIPE, COOLER REFRIGERANT LIQUID, A
88716BPIPE, COOLER REFRIGERANT LIQUID, B
88891APACKING A (FOR COOLER)
88891BPACKING B (FOR COOLER)
88891CPACKING C (FOR COOLER)
88891DPACKING D (FOR COOLER)
88891EPACKING E (FOR COOLER)
8846790B00CUSHION, COOLER CONDENSER, NO.1
main88467-90B00
8846790B01CUSHION, COOLER CONDENSER, NO.1
main88467-90B01
8846790B02CUSHION, COOLER CONDENSER, NO.1
main88467-90B02
8846790B03CUSHION, COOLER CONDENSER, NO.1
main88467-90B03
8846990B00SWITCH, PRESSURE CONTROL
main88469-90B00
8846990B01SWITCH, PRESSURE CONTROL
main88469-90B01
9009914065
main90099-14065
9017908096
main90179-08096
9046708008
main90467-08008
9165140612
main91651-40612
9165140616
main91651-40616
9165160840
main91651-60840
9166560830
main91665-60830
9410040600
main94100-40600
31 parts on this diagram · 10 diagrams in section