E
EPC Data

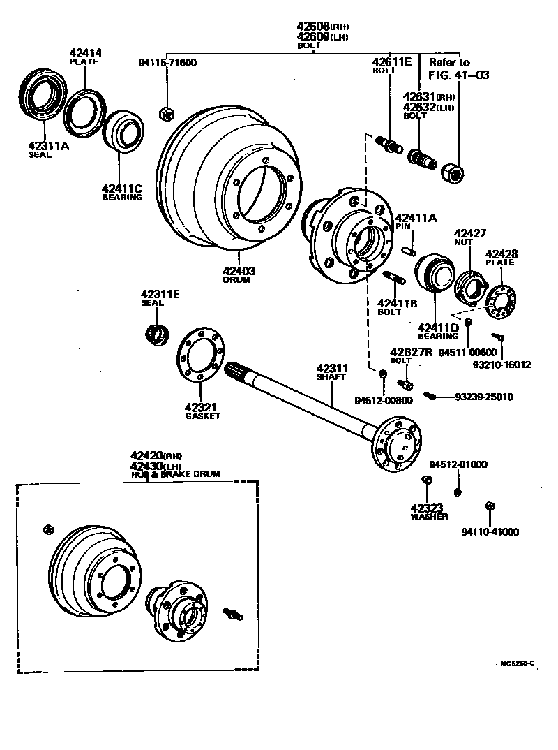
REAR AXLE SHAFT & HUB

Parts diagram
4103DISC WHEEL & WHEEL CAP
42311SHAFT, REAR AXLE
main42311-36031×2i197708-198204
42311ASEAL, OIL(FOR REAR AXLE SHAFT)
main42404-36010×2i197708-198204
42311ESEAL, OIL(FOR REAR AXLE SHAFT OUTER)
main90311-35038×2i197708-198204
42321GASKET, REAR AXLE SHAFT
main42321-36010×2i197708-198204
42323WASHER, CONE (FOR REAR AXLE SHAFT)
main42323-36010×12i197708-198204
42403DRUM SUB-ASSY, REAR BRAKE
main42431-36050×2i197708-198204
42411APIN, STRAIGHT (FOR REAR AXLE HUB)
main90250-10055×4i197708-198204
42411BBOLT, STUD (FOR REAR AXLE HUB)
main90116-10191×12i197708-198204
42411CBEARING, TAPERED ROLLER (FOR REAR AXLE INNER BEARING)
main90368-57010×2i197708-198204
42411DBEARING, TAPERED ROLLER (FOR REAR AXLE OUTER BEARING)
main90368-50008×2i197708-198204
42414PLATE, REAR AXLE HUB
main42414-36010×2i197708-198204
42420HUB (OR SHAFT) & BRAKE DRUM REAR AXLE, RH
main42420-36060i197708-198204
42427NUT, REAR AXLE BEARING LOCK
main42427-36010×2i197708-198204
42428PLATE, REAR AXLE LOCK NUT
main42428-36010×2i197708-198204
42430HUB (OR SHAFT) & BRAKE DRUM REAR AXLE, LH
main42430-36060i197708-198204
42608BOLT SUB-ASSY, REAR AXLE HUB, RH
main42608-36010×6i197708-198204
42609BOLT SUB-ASSY, REAR AXLE HUB, LH
main42609-36010×6i197708-198204
42611EBOLT, HUB (FOR REAR AXLE)
main90942-02039×6i197708-198204
RH
main90942-02040×6i197708-198204
LH
42627RBOLT, REAR WHEEL CAP SET
main42627-36011×4i197708-198204
42631BOLT, DOUBLE WHEEL STOP, RH
main42631-36010×6i197708-198204
42632BOLT, DOUBLE WHEEL STOP, LH
main42632-36010×6i197708-198204
9321016012
9323925010
9411041000
9411571600
9451100600
9451200800
9451201000

29 parts on this diagram · 1 diagram in section

REAR AXLE SHAFT & HUB — Toyota Parts Diagram with OEM Numbers & Prices | EPC Data