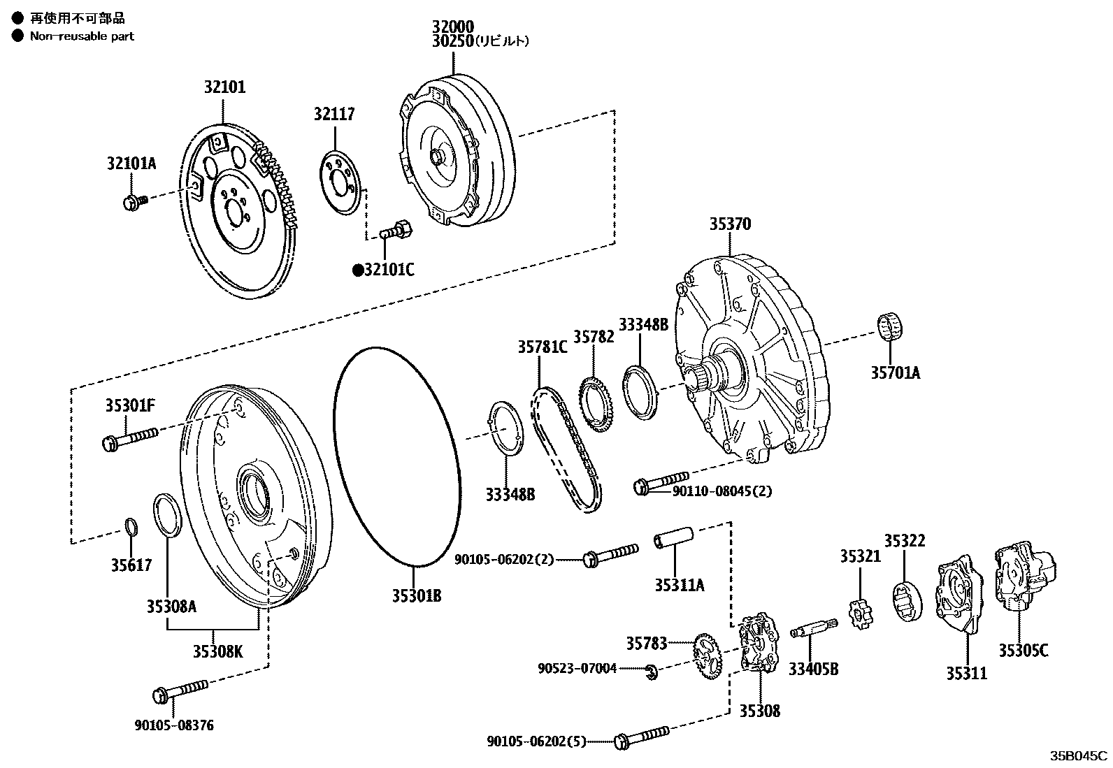
TORQUE CONVERTER, FRONT OIL PUMP & CHAIN (ATM)

30250CONVERTER ASSY, TORQUE, REBUILT
32000CONVERTER ASSY, TORQUE
32101GEAR SUB-ASSY, DRIVE PLATE & RING
32101ABOLT(FOR DRIVE PLATE & TORQUE CONVERTER SETTING)
32101CBOLT, HEXAGON(FOR DRIVE PLATE SETTING)
32117SPACER, DRIVE PLATE, REAR
33348BWASHER, GEAR THRUST
33405BSHAFT SUB-ASSY, OIL PUMP DRIVE
35301BRING, O (FOR FRONT OIL PUMP BODY)
35301FBOLT (FOR FRONT OIL PUMP SETTING)
35305CCOVER SUB-ASSY, REAR OIL PUMP
35308COVER SUB-ASSY, FRONT OIL PUMP
35308ASEAL, OIL (FOR FRONT OIL PUMP COVER)
35308KCOVER SUB-ASSY, FRONT OIL PUMP, NO.2
35311BODY, FRONT OIL PUMP
35311APIN, RING
35321GEAR, FRONT OIL PUMP DRIVE
35322GEAR, FRONT OIL PUMP DRIVEN
35617RING, CLUTCH DRUM OIL SEAL
35701ABEARING, THRUST (FOR INPUT SHAFT FRONT)
35781CCHAIN, TRANSMISSION DRIVE
35782SPROCKET, DRIVE
35783SPROCKET, DRIVEN
9010506202
main90105-06202
9010508376
main90105-08376
9011008045
main90110-08045
9052307004
main90523-07004
28 parts on this diagram · 1 diagram in section