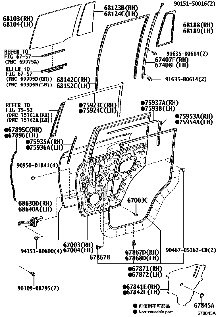
REAR DOOR PANEL & GLASS

67003PANEL SUB-ASSY, REAR DOOR, RH
67003CCUSHION, REAR DOOR PANEL
67004PANEL SUB-ASSY, REAR DOOR, LH
67407FFRAME SUB-ASSY, REAR DOOR WINDOW, REAR LOWER RH
67408FFRAME SUB-ASSY, REAR DOOR WINDOW, REAR LOWER LH
6757REAR DOOR WINDOW REGULATOR & HINGE
67841ECOVER, REAR DOOR SERVICE HOLE, RH
67842ECOVER, REAR DOOR SERVICE HOLE, LH
67845ASUB-SHEET, REAR DOOR SERVICE HOLE
67867BCLIP, DOOR WEATHERSTRIP(FOR REAR DOOR)
67867DRETAINER, REAR DOOR WEATHERSTRIP, RH
67868DRETAINER, REAR DOOR WEATHERSTRIP, LH
67871WEATHERSTRIP, REAR DOOR, RH
67872WEATHERSTRIP, REAR DOOR, LH
67895CWEATHERSTRIP, REAR DOOR, NO.3 RH
67896WEATHERSTRIP, REAR DOOR, NO.3 LH
68103GLASS SUB-ASSY, REAR DOOR, RH
68104GLASS SUB-ASSY, REAR DOOR, LH
68123BGLASS, REAR DOOR QUARTER WINDOW, RH
68124CGLASS, REAR DOOR QUARTER WINDOW, LH
68142CRUN, REAR DOOR GLASS, RH
68152CRUN, REAR DOOR GLASS, LH
68188WEATHERSTRIP, REAR DOOR QUARTER WINDOW, RH
68189WEATHERSTRIP, REAR DOOR QUARTER WINDOW, LH
7552MOULDING
75923CTAPE, BLACK OUT, NO.2 RH
75924CTAPE, BLACK OUT, NO.2 LH
75935ATAPE, BLACK OUT, NO.6 RH
75936ATAPE, BLACK OUT, NO.6 LH
75937ATAPE, BLACK OUT, INNER UPPER RH
75938TAPE, BLACK OUT, INNER UPPER LH
75953ATAPE, BLACK OUT, INNER REAR RH
75954ATAPE, BLACK OUT, INNER REAR LH
9010908295
main90109-08295
9015150016
main90151-50016
9046705162C0
main90467-05162C0
9095001841
main90950-01841
91635B0614
main91635-B0614
9415180600
main94151-80600
41 parts on this diagram · 2 diagrams in section