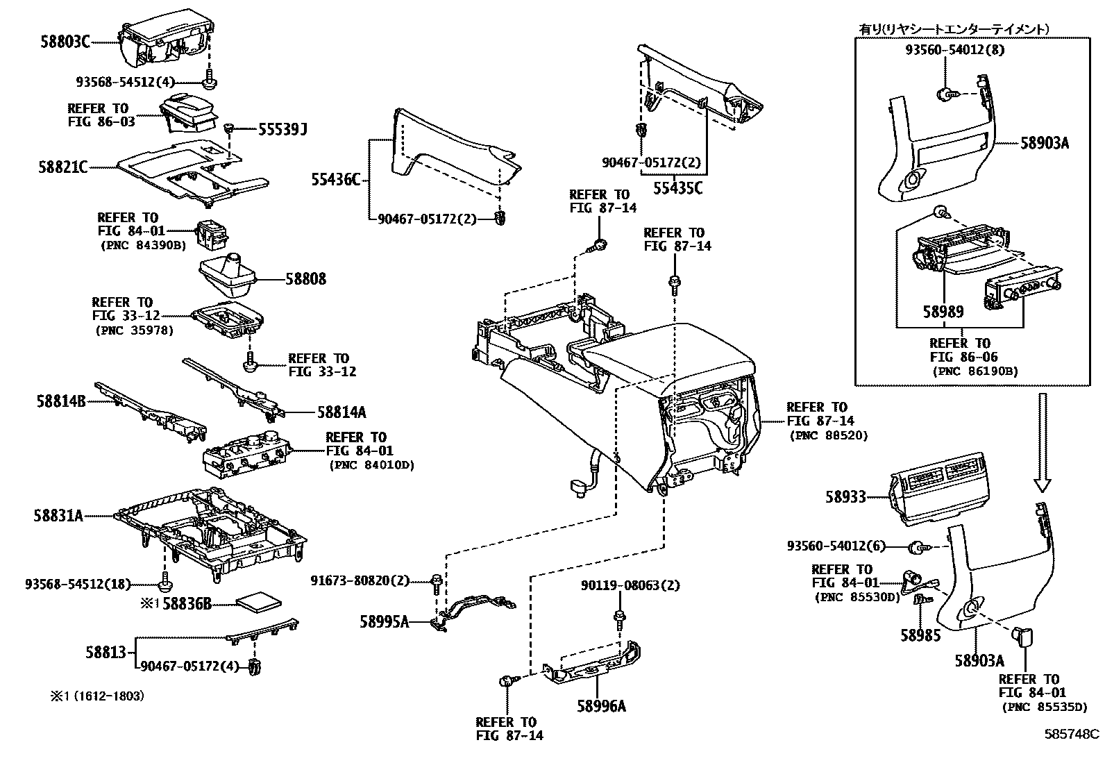
CONSOLE BOX & BRACKET

3312SHIFT LEVER & RETAINER
55435CPANEL, INSTRUMENT PANEL FINISH, END RH
IVORY,TRIM02
BLACK,TRIM05,06,2#,3#,4#,5#
55436CPANEL, INSTRUMENT PANEL FINISH, END LH
IVORY,TRIM02
BLACK,TRIM05,06,2#,3#,4#,5#
55539JCOVER, SPARE SWITCH HOLE
58803CBOX SUB-ASSY, CONSOLE CUP HOLDER
58808COVER SUB-ASSY, SHIFTING HOLE
BLACK,TRIM0#,2#,3#,4#,5#
58813BOX, CONSOLE, UPPER
IVORY,TRIM02
BLACK,TRIM05,06,2#,3#,4#,5#
58814ABASE, CONSOLE UPPER PANEL POWER SEAT SWITCH, NO.1
58814BBASE, CONSOLE UPPER PANEL POWER SEAT SWITCH, NO.2
58821CPANEL, CONSOLE, UPPER
58831AGARNISH, CONSOLE UPPER PANEL, FRONT
58836BPAD, CONSOLE BOX SILENCER, NO.1
58903APANEL SUB-ASSY, CONSOLE REAR END
58933GARNISH, CONSOLE REAR END PANEL
58985RETAINER, CONSOLE BOX
58995ABRACKET, CONSOLE BOX MOUNTING, NO.1
58996ABRACKET, CONSOLE BOX MOUNTING, NO.2
8401SWITCH & RELAY & COMPUTER
8603NAVIGATION & FRONT MONITOR DISPLAY
8606CAMERA & REAR MONITOR DISPLAY
8714HEATING & AIR CONDITIONING - COOLER UNIT
9011908063
main90119-08063
9046705172
main90467-05172
9167380820
main91673-80820
9356054012
main93560-54012
9356854512
main93568-54512
27 parts on this diagram · 1 diagram in section