STEERING COLUMN & SHAFT

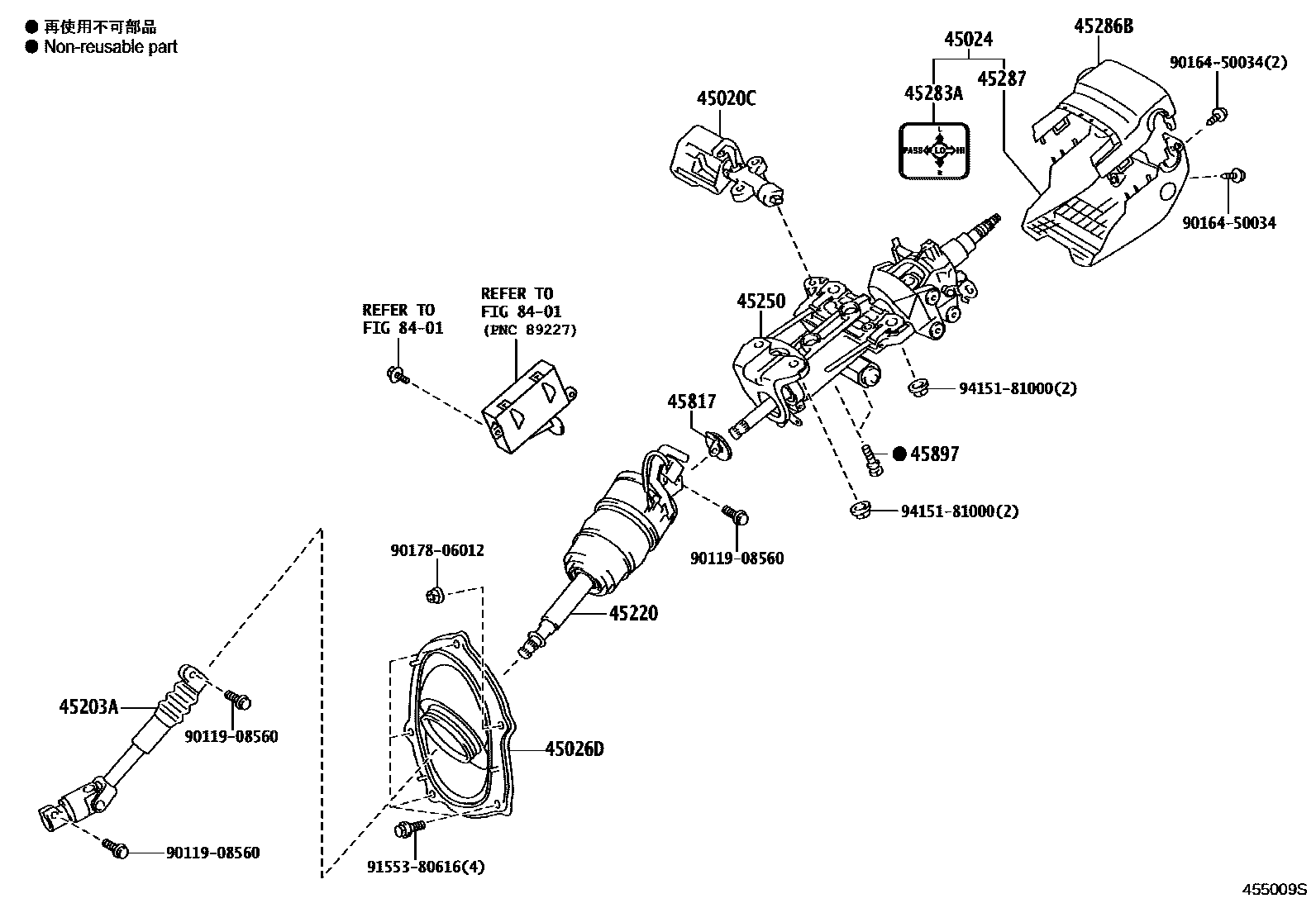
45020CACTUATOR ASSY, STEERING LOCK(W/ECU)
45024COVER SUB-ASSY, STEERING COLUMN, LOWER
BLACK,TRIM05,06,2#,3#,4#
ORCHID BROWN,TRIM02
45026DCOVER SUB-ASSY, STEERING COLUMN HOLE
45203ASHAFT, STEERING INTERMEDIATE, NO.2
45220SHAFT ASSY, STEERING INTERMEDIATE
45250COLUMN ASSY, STEERING
45283APLATE, BEAM CHANGE & TURN SIGNAL CAUTION
45286BCOVER, STEERING COLUMN, UPR
BLACK,TRIM05,06,2#,3#,4#
ORCHID BROWN,TRIM02
45287COVER, STEERING COLUMN, LWR
BLACK,TRIM05,06,2#,3#,4#,5#
ORCHID BROWN,TRIM02
45817STOPPER, STEERING SHAFT THRUST
45897BOLT, STEERING LOCK SET
8401SWITCH & RELAY & COMPUTER
9011908560
main90119-08560
9016450034
main90164-50034
9017806012
main90178-06012
9155380616
main91553-80616
9415181000
main94151-81000
17 parts on this diagram · 1 diagram in section