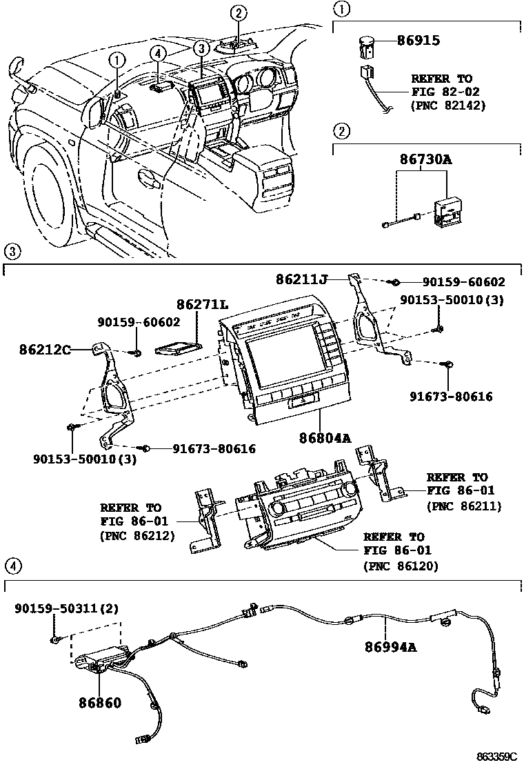
NAVIGATION & FRONT MONITOR DISPLAY

8202WIRING & CLAMP
8601RADIO RECEIVER & AMPLIFIER & CONDENSER
86211JBRACKET, RADIO RECEIVER, NO.1
86212CBRACKET, RADIO RECEIVER, NO.2
86271DISC, DISC PLAYER
86271LHARD DISC
86730AMICROPHONE ASSY, TELEPHONE
86804ASUB-ASSY, NAVIGATION COMPUTER
86860ANTENNA ASSY, NAVIGATION
86915TRANSCEIVER, OPTICAL BEACON
86994AWIRE, TOLL COLLECTION ANTENNA
9015350010
main90153-50010
9015950311
main90159-50311
9015960602
main90159-60602
9167380616
main91673-80616
15 parts on this diagram · 4 diagrams in section