E
EPC Data

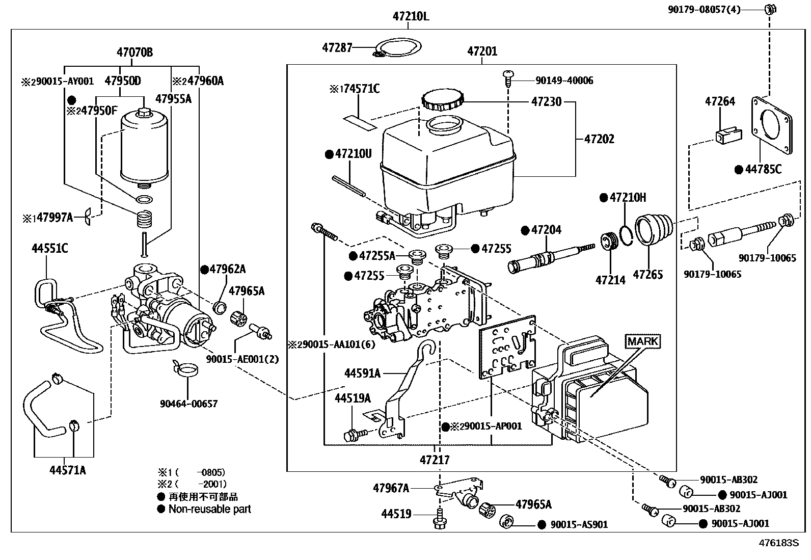
BRAKE MASTER CYLINDER

Parts diagram
44519BOLT, BRAKE ACTUATOR
main44519-24020×2i200709-201112
44519ABOLT(FOR BRAKE BOOSTER PUMP)
main44519-24020i200709-201112
44551CTUBE, BRAKE ACTUATOR, NO.1
main44551-60050i200709-201112
44571AHOSE, BRAKE ACTUATOR, NO.1
main44571-60020i200709-201112
44591ABRACKET, BRAKE ACTUATOR, NO.1
main44591-60070i200709-201112
44785CGASKET, BRAKE BOOSTER
main44785-60020i200709-201112
47070BPUMP ASSY, BRAKE BOOSTER W/ACCUMULATOR
main47070-60040i200709-200905
main47070-60060i201112-201201
47201CYLINDER SUB-ASSY, BRAKE MASTER
main47025-60330i200907-201008
main47025-60360i201008-201201
main47025-60361i201112-201201
main47025-60390i201201-201301
main47025-60500i201201-201301
main47025-60530i201301-201508
main47025-60540i201301-201508
main47052-60680i201508-201608
main47052-60681i201608-201708
main47052-60712i201708-202001
main47052-60713i202001-202104
main47052-60730i201508-201608
main47052-60731i201608-201708
main47025-60200supersedes 47025-60190i200709-200905
main47025-60290i201301-201508
main47025-60340i200905-201008
main47025-60370i201008-201112
main47025-60371i201112-201201
main47025-60400i201201-201301
main47052-60710i201508-201608
main47052-60711i201608-201708
47202RESERVOIR SUB-ASSY, BRAKE MASTER CYLINDER
main47220-60210i201201-201508
47204PISTON, MASTER CYLINDER
main47026-60160i200709-201112
47210HRING, SNAP(FOR BRAKE MASTER CYLINDER)
main90520-32012i201112-201201
47210LBRAKE BOOSTER ASSY, W/MASTER CYLINDER
main47050-60290i200905-201007
main47050-60350i201201-201301
main47050-60390i201301-201508
main47050-60460i201201-201301
main47050-60490i201301-201508
main47050-60680i201508-201607
main47050-60681i201608-201707
main47050-60712i201708-201912
main47050-60730i201508-201607
main47050-60731i201608-201707
main47050-60180supersedes 47050-60170i200709-200905
main47050-60300i200905-201007
main47050-60330i201008-201111
main47050-60331i201112-201201
main47050-60360i201201-201301
main47050-60380i201301-201508
main47050-60710supersedes 47050-60713i201508-201607
main47050-60711i201608-201707
47210UPIN, STRAIGHT(FOR BRAKE MASTER CYLINDER)
main90029-15803i201112-201201
47214PLUG, MASTER CYLINDER
main47027-60090i201508-202104
47217SOLENOID, MASTER CYLINDER
main47217-60200i200907-201008
main47217-60230i201112-201201
main47217-60260i201201-201301
main47217-60300i201301-201508
main47217-60350i201201-201301
main47217-60380i201301-201508
main47217-60570i201508-201608
main47217-60571i201608-201708
main47217-60603i202001-202104
main47217-60620i201508-201608
main47217-60621i201608-201708
main47217-60090supersedes 47217-60080i200709-200905
main47217-60210i200905-201008
main47217-60240i201008-201201
main47217-60270i201201-201301
main47217-60290i201301-201508
main47217-60600i201508-201608
main47217-60601i201608-201708
47230CAP ASSY, BRAKE MASTER CYLINDER RESERVOIR FILLER
main47230-24010i200709-200809
main47230-47090i201612-202104
main47230-58010i200809-200905
main47230-60210i200907-201112
47255GROMMET, MASTER CYLINDER RESERVOIR
main47255-16010×2i200709-201112
47255AGROMMET, MASTER CYLINDER RESERVOIR, NO.2
main31417-35010i200709-201112
47264CLEVIS, MASTER CYLINDER PUSH ROD
main47264-60020i200709-201112
47265BOOT, MASTER CYLINDER
main90029-70001i200709-201112
47287LABEL, BRAKE FLUID INFORMATION
main47287-20020i200709-200805
main47287-60180i200805-201201
main47287-60181i201201-201508
main47287-60182i201612-202104
47950DACCUMULATOR ASSY, BRAKE BOOSTER
main47950-60030i200709-201112
47950FRING, O(FOR BRAKE BOOSTER ACCUMULATOR)
main90301-13014i200907-201007
47955APIPE, BRAKE BOOSTER ACCUMULATOR
main47955-60020i200709-201112
47960APUMP ASSY, BRAKE BOOSTER
main47960-60050i200907-201007
main47960-60090i200709-200905
47962ACOLLAR, BRAKE BOOSTER PUMP
main47962-60090×2i200709-201112
47965ABUSH, BRAKE BOOSTER PUMP
main47965-24010×3i200709-201112
47967ABRACKET, BRAKE BOOSTER PUMP, NO.1
main47967-60090i201508-202104
47997ALABEL, ACCUMULATOR CAUTION, NO.1
main47997-60050i200709-200805
74571CLABEL, BRAKE FLUID INFORMATION
main47288-60020i200709-200805
90015AA101
90015AB302
90015AE001
90015AJ001
90015AP001
90015AS901
90015AY001
9014940006
9017908057
9017910065
9046400657

41 parts on this diagram · 1 diagram in section

BRAKE MASTER CYLINDER — Toyota Parts Diagram with OEM Numbers & Prices | EPC Data