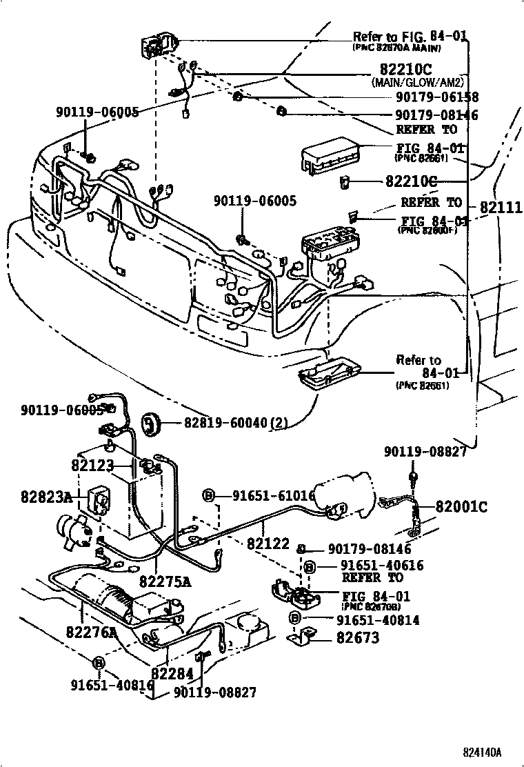
WIRING & CLAMP

82001CABLE, BOND, NO.1
E/G BLOCK
TRANSFER
BODY
ENGINE
E/G IN MANI
ENGINE HANGER
82001CCABLE, BOND, NO.2
82111WIRE, ENGINE ROOM MAIN
82122WIRE, ENGINE, NO.2
82123WIRE, ENGINE, NO.3
82210CFUSIBLE LINK
82275ACABLE, BATTERY TO MAGNET SWITCH
82276ACABLE, MAGNET SWITCH TO WINCH
82673BRACKET, JUNCTION BLOCK
82823ACAP, TERMINAL, NO.2
8401SWITCH & RELAY & COMPUTER
8281960040GROMMET, WIRING HARNESS
main82819-60040
9011906005
main90119-06005
9011908827
main90119-08827
9017906158
main90179-06158
9017908146
main90179-08146
9165140616
main91651-40616
9165140814
main91651-40814
9165140816
main91651-40816
9165161016
main91651-61016
21 parts on this diagram · 18 diagrams in section