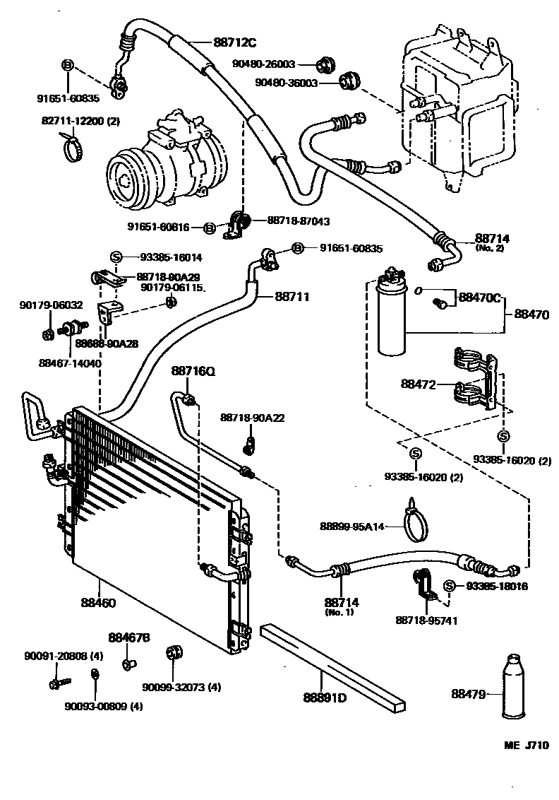
HEATING & AIR CONDITIONING - COOLER PIPING

88460CONDENSER ASSY, COOLER
88467BINSULATOR, COOLER CONDENSER MOUNTING
88470RECEIVER & DRYER ASSY, COOLER
88470CBOLT, FUSE
88472BRACKET, RECEIVER TANK, NO.1
88479FREON GAS, AIR CONDITIONER (DRUM, COOLER REFRIGERANT)
88711HOSE, COOLER REFRIGERANT DISCHARGE, NO.1
88712CHOSE, SUCTION
88714HOSE, COOLER REFRIGERANT LIQUID, NO.1
88716QPIPE, COOLER REFRIGERANT LIQUID, Q
88891DPACKING D (FOR COOLER)
8271112200WIRE, FUSE TO FUSE(FOR COMBUSTION HEATER)
main82711-12200
8846714040CUSHION, COOLER CONDENSER, NO.1
main88467-14040
8868890A28BRACKET, COOLER DIAPHRAGM
main88688-90A28
8871887043PIPE, COOLER REFRIGERANT SUCTION, NO.2
main88718-87043
8871890A22PIPE, COOLER REFRIGERANT SUCTION, NO.2
main88718-90A22
8871890A29PIPE, COOLER REFRIGERANT SUCTION, NO.2
main88718-90A29
8871895741PIPE, COOLER REFRIGERANT SUCTION, NO.2
main88718-95741
8889995A14COVER, EVAPORATOR
main88899-95A14
9009120808
main90091-20808
9009300809
main90093-00809
9009932073
main90099-32073
9017906032
main90179-06032
9017906115
main90179-06115
9048026003
main90480-26003
9048036003
main90480-36003
9165160816
main91651-60816
9165160835
main91651-60835
9338516014
main93385-16014
9338516020
main93385-16020
9338518016
main93385-18016
31 parts on this diagram · 4 diagrams in section