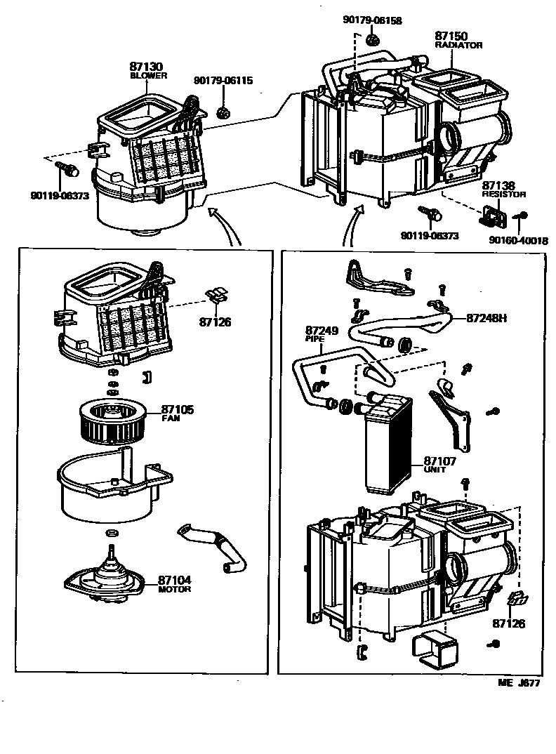
HEATING & AIR CONDITIONING - HEATER UNIT & BLOWER

87104MOTOR SUB-ASSY, HEATER BLOWER
FRONT
FRONT
REAR
REAR
87105FAN SUB-ASSY, HEATER BLOWER
FRONT
REAR
87107UNIT SUB-ASSY, HEATER RADIATOR
FRONT
FRONT
REAR
87126CLAMP, HEATER CONTROL
RADIATOR
87138RESISTOR, HEATER BLOWER
FRONT
FRONT
REAR
REAR
9011906373
main90119-06373
9016040018
main90160-40018
9017906115
main90179-06115
9017906158
main90179-06158
13 parts on this diagram · 2 diagrams in section