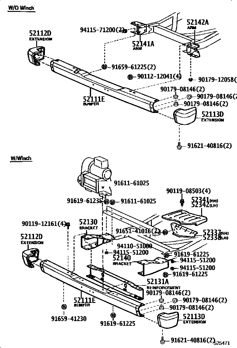
FRONT BUMPER & BUMPER STAY

52111EBAR, FRONT BUMPER
52112DEXTENSION, FRONT BUMPER, RH
52113DEXTENSION, FRONT BUMPER, LH
52130BRACKET ASSY, FRONT BUMPER SIDE MOUNTING, RH
52131AREINFORCEMENT, FRONT BUMPER
52140BRACKET ASSY, FRONT BUMPER SIDE MOUNTING, LH
52141AARM, FRONT BUMPER, UPPER RH
52142AARM, FRONT BUMPER, UPPER LH
52337STAY, FRONT BUMPER STEP, RH
52338STAY, FRONT BUMPER STEP, LH
52341STEP, FRONT BUMPER, RH
52342STEP, FRONT BUMPER, LH
9011212041
main90112-12041
9011908503
main90119-08503
9011912161
main90119-12161
9017908146
main90179-08146
9017912058
main90179-12058
9161161025
main91611-61025
9161961225
main91619-61225
9161961235
main91619-61235
9162140816
main91621-40816
9165141016
main91651-41016
9165941230
main91659-41230
9165961225
main91659-61225
9411051000
main94110-51000
9411551200
main94115-51200
9411571200
main94115-71200
27 parts on this diagram · 2 diagrams in section