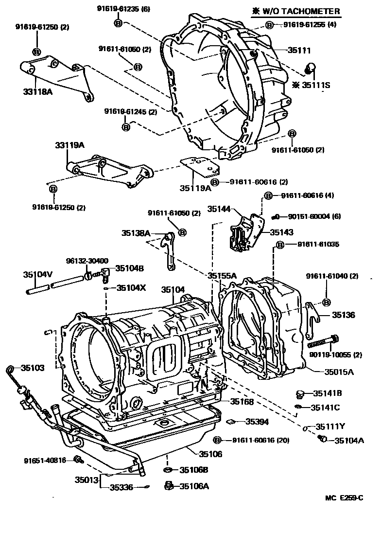
TRANSMISSION CASE & OIL PAN (ATM)

33118APLATE, STIFFENER, RH(ATM)
33119APLATE, STIFFENER, LH(ATM)
35013TUBE SUB-ASSY, TRANSMISSION OIL FILLER
35015AADAPTER SUB-ASSY, TRANSMISSION CASE, REAR
35103GAGE SUB-ASSY, TRANSMISSION OIL LEVEL
35104CASE SUB-ASSY, AUTOMATIC TRANSMISSION
35104APLUG, AUTOMATIC TRANSMISSION CASE
35104BPLUG, BREATHER, NO.1 (ATM)
35104VHOSE (FOR BREATHER PLUG)
35104XRING, O (FOR BREATHER PLUG)
35106PAN SUB-ASSY, AUTOMATIC TRANSMISSION OIL
35106APLUG SUB-ASSY, DRAIN (ATM)
35106BGASKET, DRAIN PLUG (ATM)
35111HOUSING, AUTOMATIC TRANSMISSION
35111SPLUG (FOR TRANSMISSION HOUSING)
35111YRING, O (FOR AUTOMATIC TRANSMISSION CASE)
35119ACOVER, TRANSMISSION HOUSING
35136HANGER, TRANSMISSION,NO.1
35138AHANGER, TRANSMISSION, NO.2
35141BPLUG (FOR AUTOMATIC TRANSMISSION CASE)
35141CWASHER, PLATE (FOR AUTOMATIC TRANSMISSION CASE)
35143COVER, TRANSMISSION CASE, REAR
35144GASKET, TRANSMISSION CASE REAR COVER
35155AGASKET, TRANSMISSION CASE ADAPTER
35168GASKET, AUTOMATIC TRANSMISSION OIL PAN
35336RING, O (FOR TRANSMISSION OIL FILLER TUBE)
35394MAGNET, OIL CLEANER (FOR TRANSMISSION)
9011910055
main90119-10055
9015160004
main90151-60004
9161160616
main91611-60616
9161161035
main91611-61035
9161161040
main91611-61040
9161161050
main91611-61050
9161961235
main91619-61235
9161961245
main91619-61245
9161961250
main91619-61250
9161961255
main91619-61255
9165140816
main91651-40816
9613230400
main96132-30400
39 parts on this diagram · 2 diagrams in section